EasyManua.ls Logo

Toa VX-3000DS CE - 5 Connections; Connecting the VX-3000 DS to VX-2000 System

Toa VX-3000DS CE
36 pages
Print Icon
To Next Page IconTo Next Page
To Next Page IconTo Next Page
To Previous Page IconTo Previous Page
To Previous Page IconTo Previous Page
Loading...
13
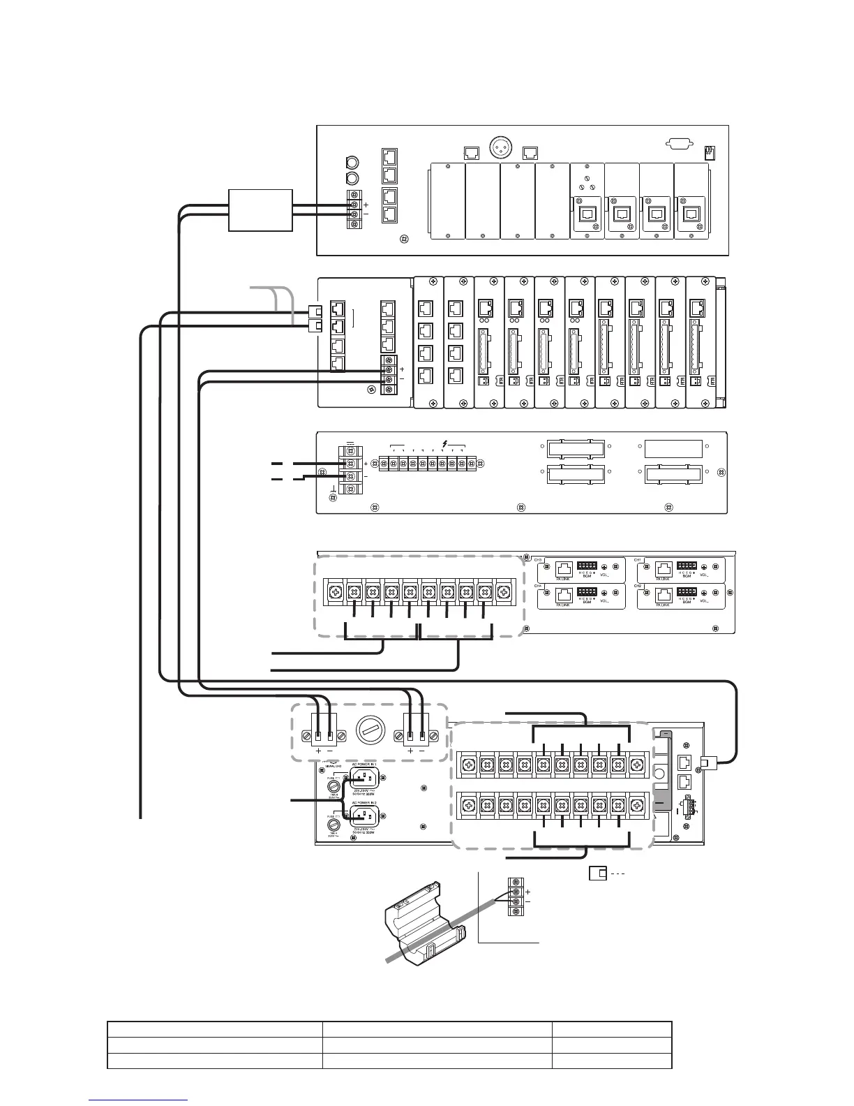
5. CONNECTIONS
5.1. Connecting the VX-3000DS to VX-2000 System
DS-SF
LINK
1
2
28 V 4.8 A
DC POWER IN
CH3 CH1
CH4 CH2
PA OUT (SP LINE)
C H
CH1
C H
CH2
C H
CH3
C H
CH4
DATA LINK
DC POWER IN
AUDIO LINK
OUT
DC POWER IN
FUSE 35A
(POWER OUT)
BATTERY POWER IN
24V MAX 150A
POWER OUT(
-
)
1234567
POWER OUT(+) 19-33V MAX 25A
WARNING
Take special care to prevent the battery
from being shorted by misconnection
of the battery cable.
If the shore occurs, the unit may fail.
OUT
DS LINK
24V(16-25V) MAX 0.3A
POWER OUT
TEMPERATURE
SENSOR
8
IN
(–)
(+)
(–)
(+)
RJ45 male connector
VX-2000SF
VX-2000
VP-2000 series or VP-3000 series power amplifier
VP-2000 series or VP-3000 series power amplifier
VX-3000DS
This figure shows VP-2000 series.
This figure shows VP-3000 series.
From VX-3000DS
From VX-3000DS
230 V AC
220 V AC
50/60 Hz
To “DS LINK IN” of
the next VX-3000DS
a
Ferrite cable clamp*
i ag ce
j bh df
i g ce j h df
12
b
(–)
(+)
Cat. 5 STP

(For VX-2000 only)
To reduce electromagnetic noise, place the
supplied ferrite cable clamp over the DC
power cable at a position within 20 cm from

DC POWER IN
Note
The maximum number of the devices connected to and the output power supplied from one VX-3000DS must

 Total number of the connected devices Total output power
VP-3154, VP-3304, VP-3504 Max. 8 channels 2000 W or less
VP-2064, VP-2122, VP-2241, VP-2421 Max. 8 units 1440 W or less