EasyManua.ls Logo

Toa VX-3000DS CE - 8 Block DIAGRAM

Toa VX-3000DS CE
36 pages
Print Icon
To Next Page IconTo Next Page
To Next Page IconTo Next Page
To Previous Page IconTo Previous Page
To Previous Page IconTo Previous Page
Loading...
25
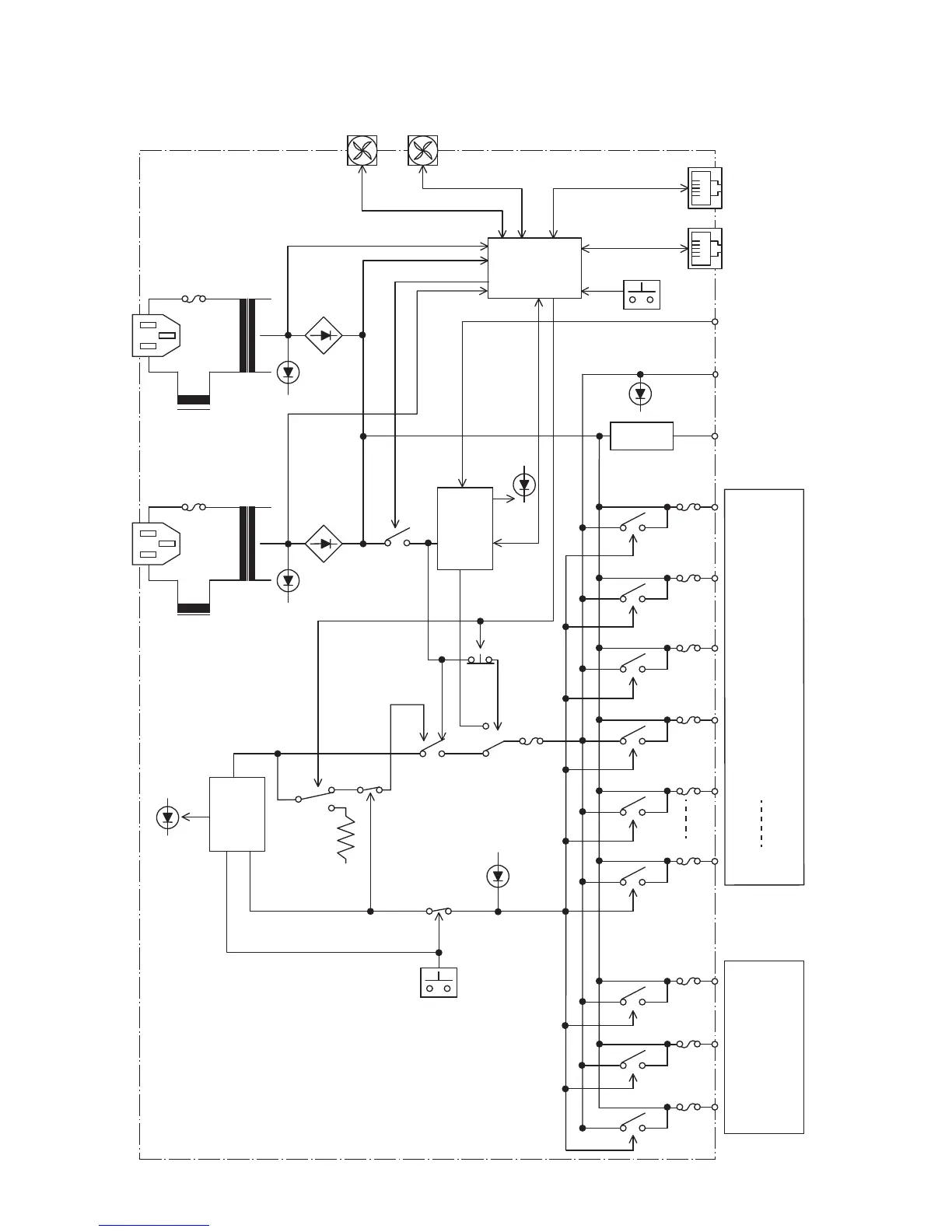
8. BLOCK DIAGRAM
Fuse
T6.3A L
Fuse
T6.3A L
Fuse
T6.3A L
DC Out 3
DC Out 2
DC Out 1
POWER OUT
19-33 V MAX 5 A
DC Output 3
DC Output 2
DC Output 1
POWER OUT
19-33 V MAX 25 A
POWER OUT
24 V (16-25 V) MAX 0.3 A
DC Output 8
DC Output 5
DC Output 4
DC24 V
Fuse 35 A
Fuse 35 A
Fuse 35 A
Fuse 35 A
Fuse 35 A
Fuse 35 A
Control Circuit
Charging
Circuit
CHARGING
Fuse 15 A
NO
Voltage
Checker
BATTERY
CONDITION
BATTERY POWER
NC
NC
NC
NC
NO
Battery
Check Switch
When battery voltage drops
below the reference voltage.
AC
IN1
AC
IN2
Control
Connector
[DS LINK IN]
Control
Connector
[DS LINK OUT]
FAN2FAN1
AC POWER IN1
AC POWER IN2
Fuse
AC 250 V
T8A H
Fuse
AC 250 V
T8A H
NO
NO
NO
NO
NO
NO
Constant
Current Load
5 A
NO
BATTERY
TEMPERATURE
SENSOR IN
Battery Connection
Terminal
[BATTERY
POWER IN]
BATTERY
CONNECT
SHUTDOWN
SWITCH
RESET
SWITCH
SMPS*
1
SMPS*
1
PFC*
2
PFC*
2
*
1
Switched mode power supply
*
2
Power factor correction
NO
NO
NO