EasyManua.ls Logo

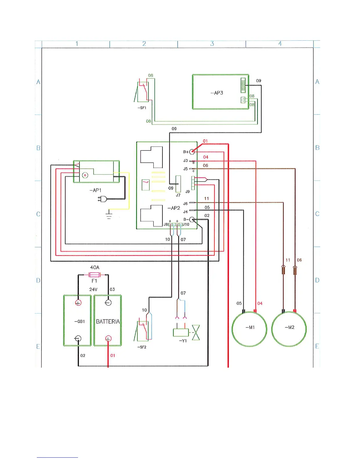
Tornado 99414 - Wiring Diagram

Tornado 99414
52 pages
Print Icon
To Next Page IconTo Next Page
To Next Page IconTo Next Page
To Previous Page IconTo Previous Page
To Previous Page IconTo Previous Page
Loading...
Tornado [Dec. 15, 2011]/Year 2000-Current: Schematics, Accessories, Brochures, Replacement & Optional
Items/Automatic Scrubbers/BD14/4 AUTOSCRUBBER/99414 14" BD14/4 Disc Brush Autoscrubber/Wiring Diagram

Related product manuals