EasyManua.ls Logo

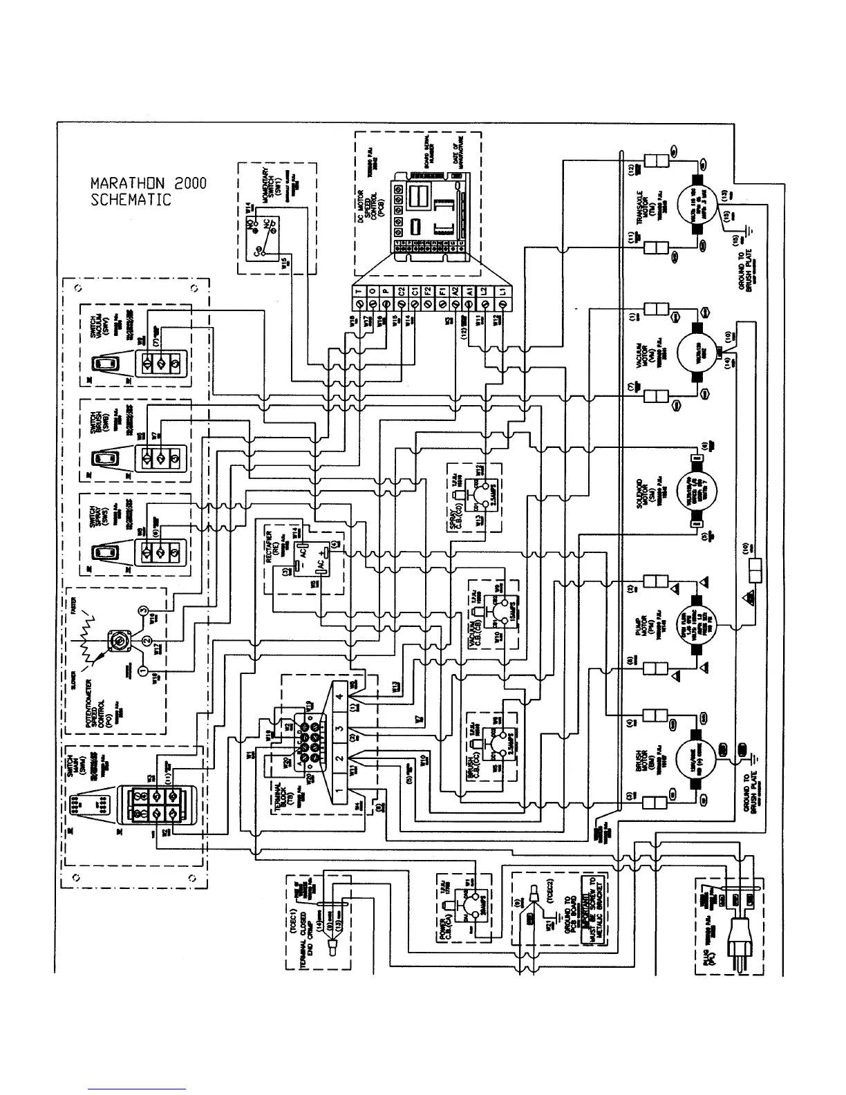
Tornado MARATHON 2000 - Electrical Wiring Diagram

Tornado MARATHON 2000
26 pages
Print Icon
To Previous Page IconTo Previous Page
To Previous Page IconTo Previous Page
Loading...
26
WIRING DIAGRAM
(REF. # 30702)

Related product manuals