EasyManua.ls Logo

Toro 30674 - Page 36

Toro 30674
48 pages
Print Icon
To Next Page IconTo Next Page
To Next Page IconTo Next Page
To Previous Page IconTo Previous Page
To Previous Page IconTo Previous Page
Loading...
AdjustingthePTOEngagement
Linkage
ThePTOengagementlinkageadjustmentislocatedbeneath
thefrontlefthandcorneroftheenginedeck.
1.Disengagethebladecontrol(PTO)leverandsetthe
parkingbrakes.
2.Stoptheengineandwaitforallmovingpartstostop
beforeleavingtheoperatingposition.
3.Engagethebladecontrollever(PTO).
4.Adjustthelinkagelengthtowherethelowerendofthe
bellcrankjustclearstheaxlesupportgusset(Figure50).
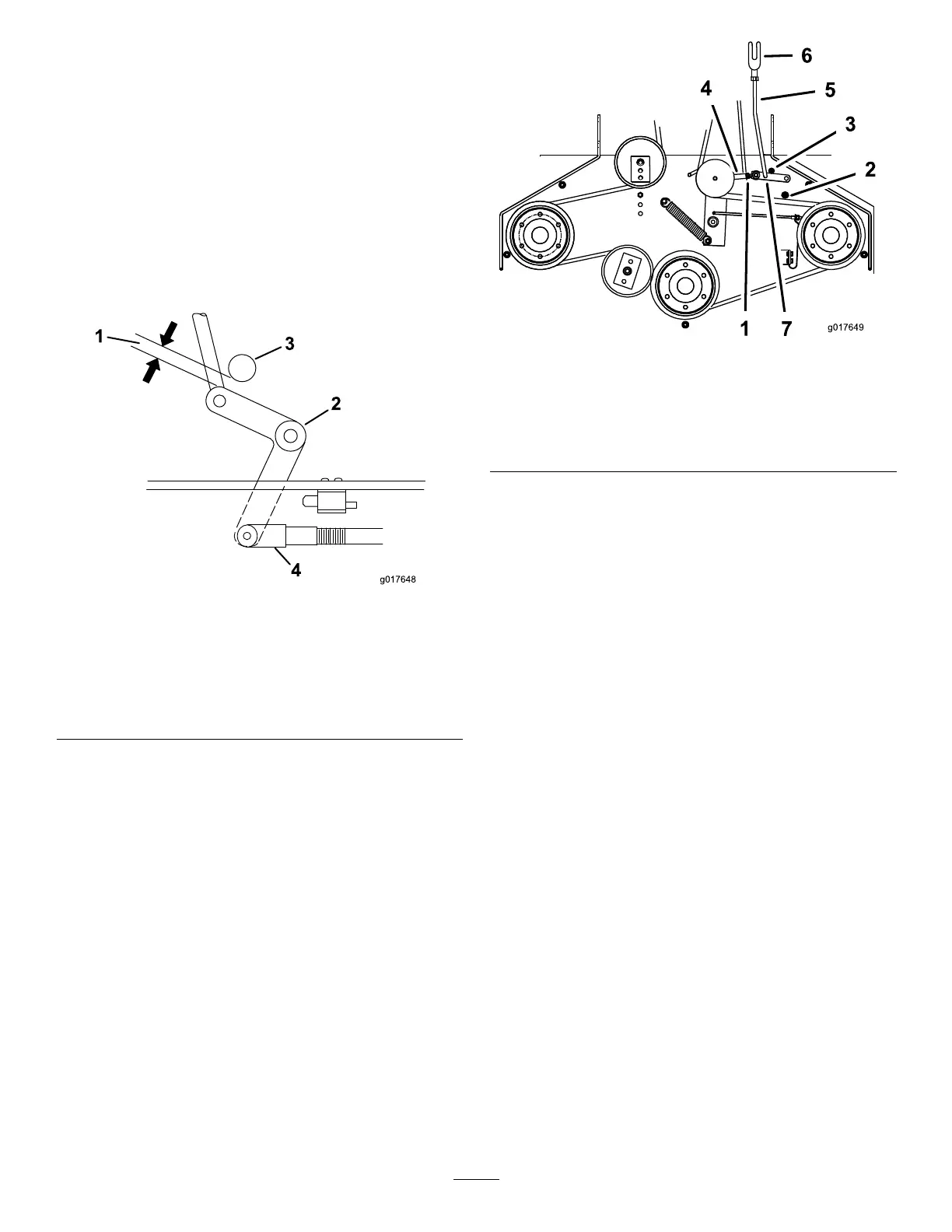
g017648
1
2
3
4
Figure50
1.Bellcrank4.Yoke
2.Safetyswitchlocated
underenginedeck
5.Nut
3.Bellcrankjustclearsthe
gussetwiththePTO
engaged
6.Assistarmlink
5.Makesuretheassistarmisagainsttherearassistarm
stoponthedeck(Figure51).
6.Pushthebladecontrollever(PTO)downtothe
disengagedposition.
7.Theassistarmshouldcontactthefrontassistarmstop
onthedeck.Ifitdoesnotcontact,adjustthebellcrank
soitisclosertothegusset(
Figure51).
g017649
Figure51
1.Yoke5.Assistarmlink
2.Nut6.Assistarm
3.Rearassistarmstop7.Turnbuckle
4.Frontassistarmstop
8.Toadjusttheassistarmlink,removethehairpincotter
pinfromtheassistarm(Figure51).
9.Loosenthenutagainsttheyoke(Figure50).
10.Removetheassistarmlinkfromtheassistarmand
rotatethelinktoadjustthelength.
11.Installtheassistarmlinkintotheassistarmandsecure
itwiththehairpincotterpin(Figure51).
12.Checkiftheassistarmhitsagainstthestopscorrectly.
AdjustingthePTOSafetySwitch
1.Disengagethebladecontrol(PTO)leverandsetthe
parkingbrakes.
2.Stoptheengineandwaitforallmovingpartstostop
beforeleavingtheoperatingposition.
3.Disengagethebladecontrollever(PTO).Makesure
theassistarmisagainstthefrontassiststoparm.
4.Ifneeded,adjustthebladesafetyswitchbyloosening
theboltsholdingtheswitchbracket(Figure52).
5.Movethemountingbracketuntilthebellcrank
depressestheplungerbya6mm(1/4inch);referto
(Figure52).
Note:Makesurethebellcrankdoesnottouchthe
switchbodyordamagetotheswitchcouldoccur.
6.Tightentheswitchmountingbracket.
36

Table of Contents

Related product manuals