EasyManua.ls Logo

Toro 315-8 - Page 58

Toro 315-8
188 pages
To Next Page IconTo Next Page
To Next Page IconTo Next Page
To Previous Page IconTo Previous Page
To Previous Page IconTo Previous Page
Loading...
Z380, Z420, Z480 2006
5 - 2 Demystification Guide
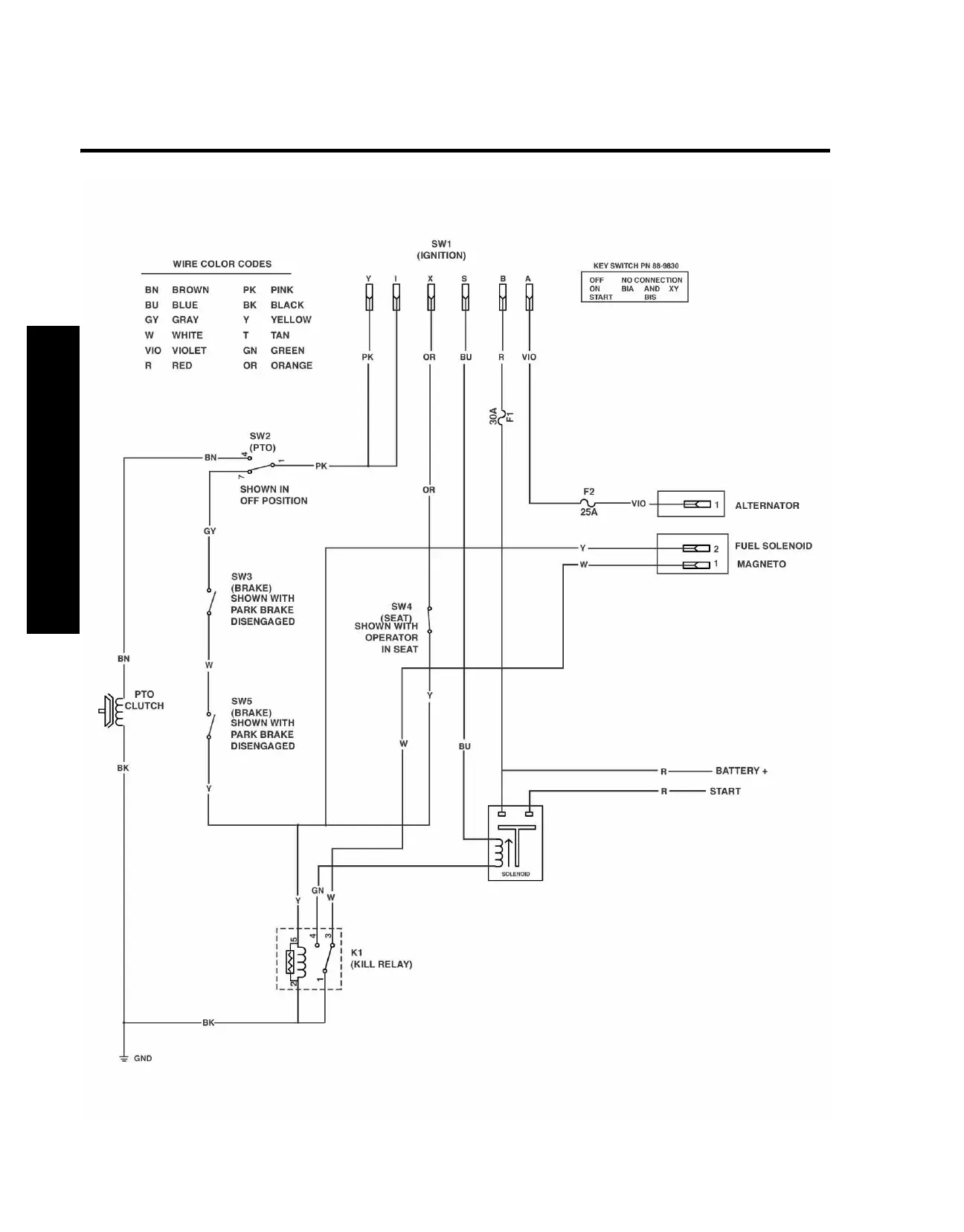
Wiring Diagram
Wiring Diagram

Table of Contents

Related product manuals