EasyManua.ls Logo

Toro 41564 - Page 43

Toro 41564
64 pages
Print Icon
To Next Page IconTo Next Page
To Next Page IconTo Next Page
To Previous Page IconTo Previous Page
To Previous Page IconTo Previous Page
Loading...
43
TRACTION DRIVE MAINTENANCE
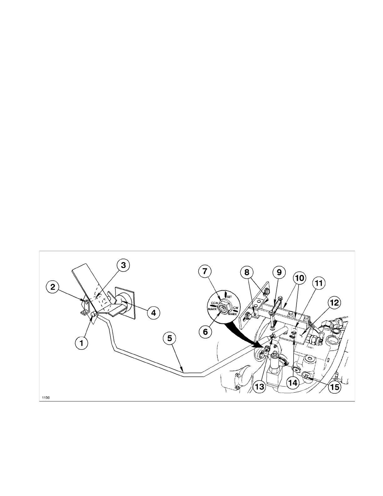
LINKAGE MAINTENANCE (FIG. 43)
It is very important that the foot pedal operate freely
and return positively to the NEUTRAL or
CENTERED position. Periodic maintenance of the
traction pedal requires applying grease to the
grease fittings on the linkage control arms as
shown in Fig. 43.
LINKAGE TROUBLESHOOTING
(FIG. 43)
If the traction pedal fails to operate smoothly and
freely, or fails to return to the NEUTRAL position,
the following steps should be checked and
corrections made if required:
1. Check that the traction pedal pivot tube is free
on the pivot pin.
2. Check that the control linkage front and rear
ball joints move freely.
3. Check that no cables, wiring harnesses, etc.
are restricting or interfering with the linkage travel.
4. Check that the linkage centering arms are
pivoting freely.
5. Check that both centering springs are in their
proper position.
6. Check that the control plate is rotating freely.
7. Check that speed control clutch plate is
operating freely.
1. Ball Joint 5. Control Linkage
2. Pivot Pin 6. Servo Adj. Screw
3. Pivot Tube 7. Jam Nut
4. Clutch Plate 8. Grease Fittings
Figure 43
9. Centering Springs 13. Ball Joint
10. Centering Arms 14. Control Plate Bolts
11. Servo Arm 15. Dump Valve
12. Control Plate

Related product manuals