EasyManua.ls Logo

Toro 72980 - Schematics

Toro 72980
76 pages
Print Icon
To Next Page IconTo Next Page
To Next Page IconTo Next Page
To Previous Page IconTo Previous Page
To Previous Page IconTo Previous Page
Loading...
Schematics
BN
BN
BU
BK
Y
W
T
PK
BN
PK
OR
GN
S R
PK PK
PK
LTGR
GY
GY
PK
V
BN V
OR
GN
OR
R BK
PK
BK
GND
PK
BK
BN
BN
BK PK
BK
GND
15A
F4
GY
R
IBA
W
BU
BK
+
S
-
FUEL SENDER
10A
F3
(BRAKE)
SW6
PKOR R
PTO
CLUTCH
BU
1
2
5
4
7
8
(PTO SWITCH)
SW2
LAMP
(SEAT)
SW7
2
3
5
4
1
K2
(START RELAY)
TVS DIODE
U2
(NEUT_R)
SW5
GND-S/D
MIL GND
ECU PWR
S
TART
(NEUT_L)
SW4
12
B+
10
KEY_S
9
KEY_A
4
SEAT
11
BRAKE
2
NEUTRAL
3
PTO
5
FUEL
1
START_RELAY
7
MAGNETO
6
FUEL_SOLENOID
8
GROUND
HOUR METER
R A
I
A
4
7
1 3
A
3
SW1
B
B
C
B
8
24 5
(IGNITION)
C
B
D
KEY SW
OPTIONAL
ACCESSORIES
E
A
5
8
7
2
4
S
Ignition switch terminal locations
viewed from back
OFF = no connections
ON = BRIA
S
TART = BRIS
BK = BLACK
BN = BROWN
BU = BLUE
GN = GREEN
GY = GREY
L
T GR = LIGHT GREEN
OR = ORANGE
PK = PINK
R = RED
T = TAN
V = VIOLET
W = WHITE
R
V
YW/RD
OR/WH
OR/BK
BRIGGS OIL GUARD
STARTER
BK
BK/RD
GN
NCNC
NC
NC
NC
FUEL
PUMP
ECU
GND
AC
AC
O2
SENSOR
INJECTORS
IGNITION
COILS
V
V
F3
25A
F1
25A
6
2
1
5
+
-
(BRAKE
OFF)
(PTO OFF)
(OPERATOR
NOT IN SEAT)
(LH HYDRO
IN DRIVE)
(RH HYDRO
IN DRIVE)
1
6
3
15A
20A
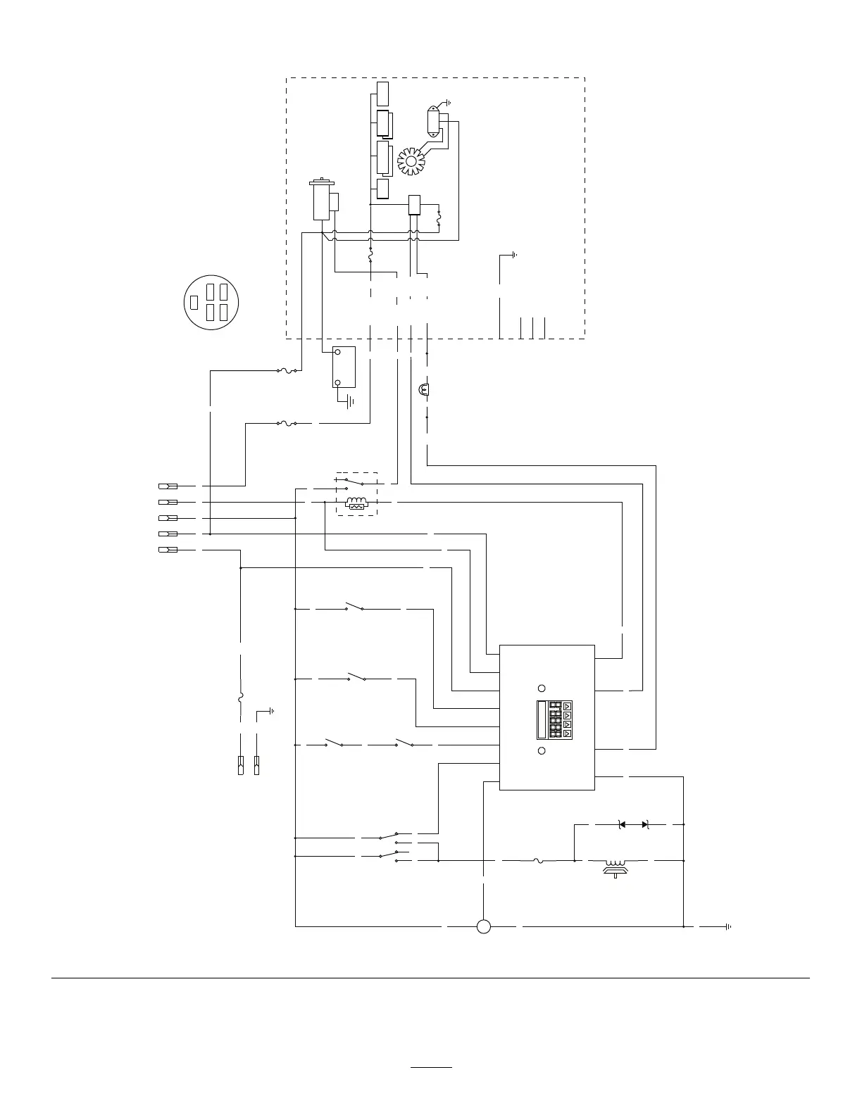
g361552
ElectricalSchematic(Rev.A)
73

Table of Contents

Related product manuals