EasyManua.ls Logo

Toro 74143 - Schematics

Toro 74143
64 pages
Print Icon
To Next Page IconTo Next Page
To Next Page IconTo Next Page
To Previous Page IconTo Previous Page
To Previous Page IconTo Previous Page
Loading...
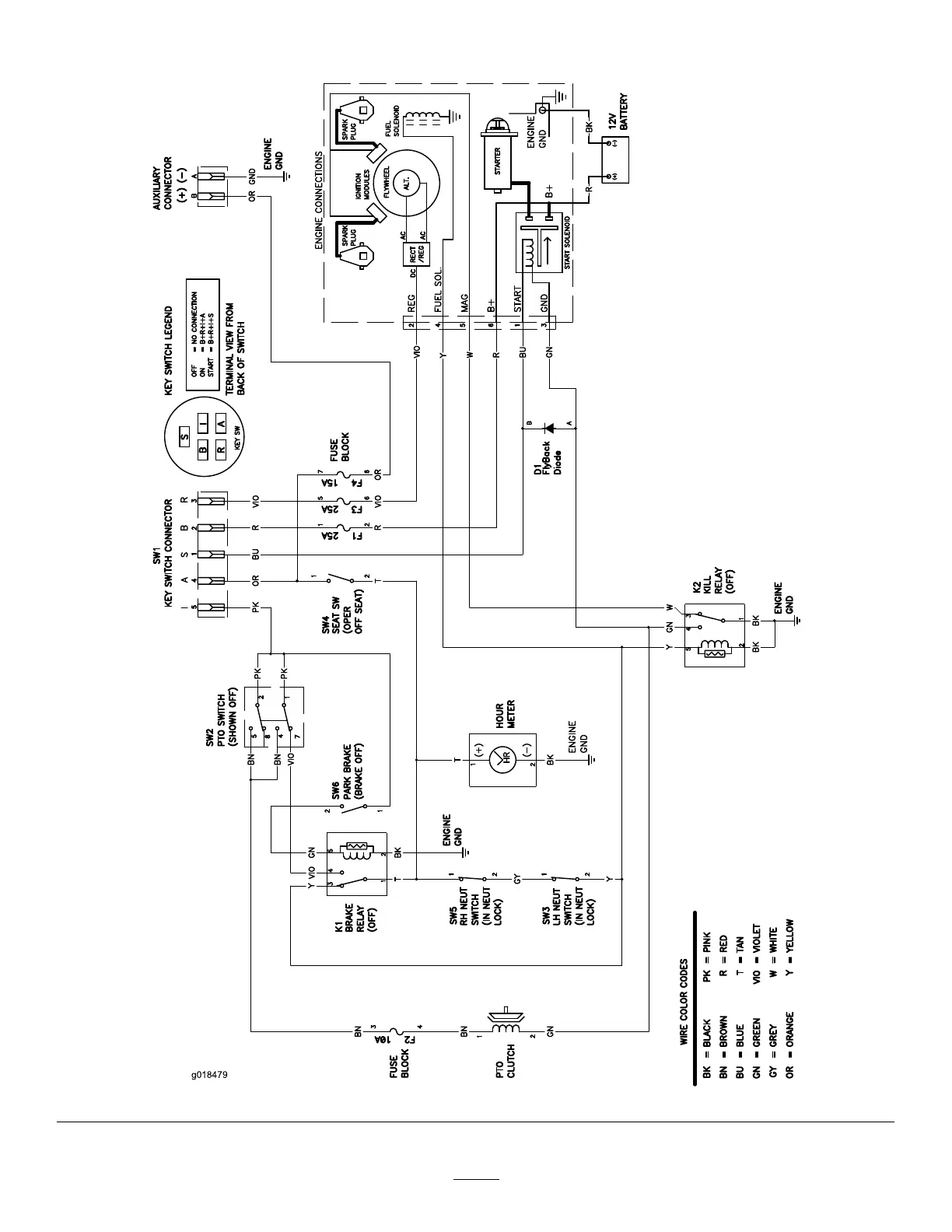
Schematics
g018479
WireDiagram(Rev.A)
60

Table of Contents

Related product manuals