EasyManua.ls Logo

Toro 74353 - Electrical Schematics

Toro 74353
44 pages
Print Icon
To Next Page IconTo Next Page
To Next Page IconTo Next Page
To Previous Page IconTo Previous Page
To Previous Page IconTo Previous Page
Loading...
Schematics
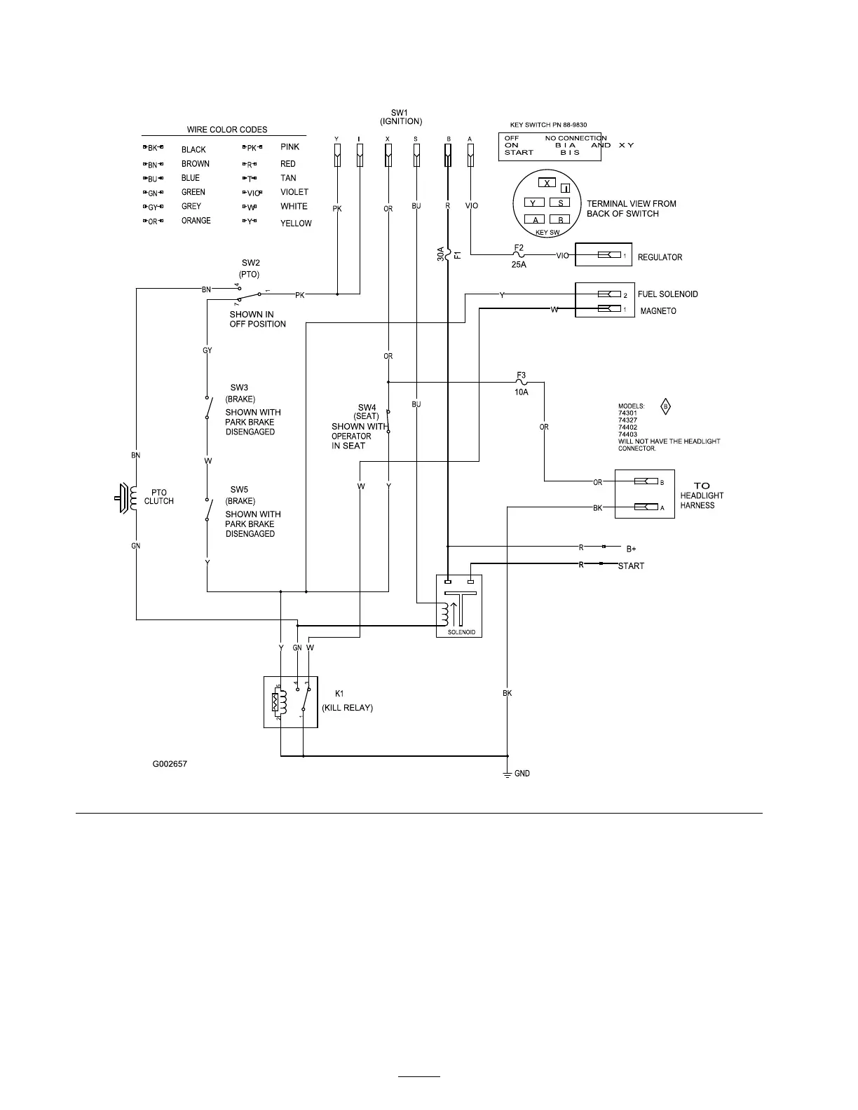
Electrical Schematic (Rev. B)
40

Related product manuals