EasyManua.ls Logo

Trane Technologies VariTrane VCCF - Box

Trane Technologies VariTrane VCCF
64 pages
Print Icon
To Next Page IconTo Next Page
To Next Page IconTo Next Page
To Previous Page IconTo Previous Page
To Previous Page IconTo Previous Page
Loading...
40
VAV-SVX08U-EN
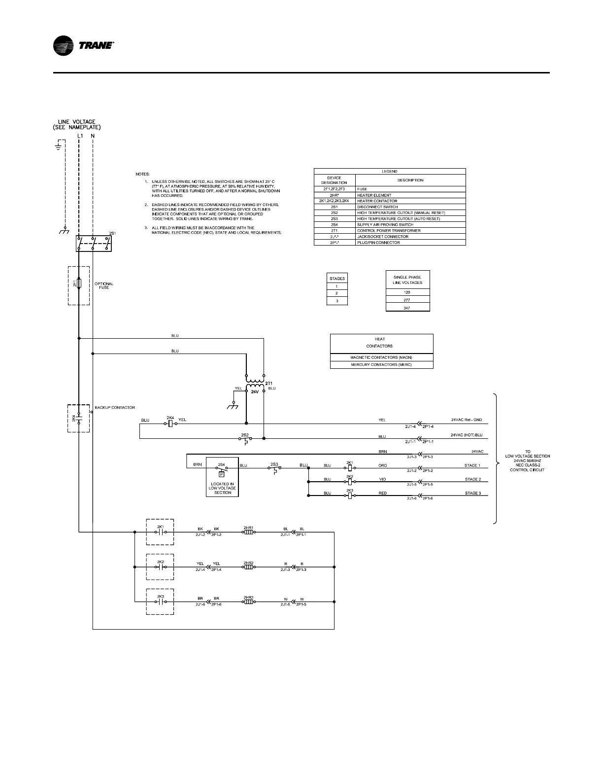
Wiring Electric Heater Control Box
Figure 26. Single duct , single phase, 1 leg, 3 stages
WWiirriinngg DDiiaaggrraammss

Related product manuals