EasyManua.ls Logo

Trane Technologies VariTrane VCCF - Page 59

Trane Technologies VariTrane VCCF
64 pages
Print Icon
To Next Page IconTo Next Page
To Next Page IconTo Next Page
To Previous Page IconTo Previous Page
To Previous Page IconTo Previous Page
Loading...
VAV-SVX08U-EN
59
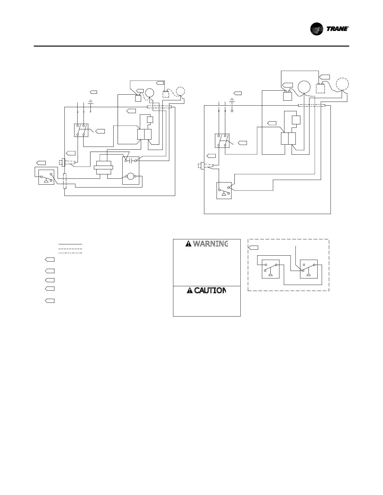
Figure 45. Fan-powered, low-height incl 10SQ, old style
FOR SERIES FAN POWERED TERMINAL UNITS ONLY.
EXTERNAL TO CONTROL BOX.
OPTIONAL OR ALTERNATE CIRCUITRY
DISCONNECT SWITCH, FUSE, & SCR ARE LOCATED
DETERMINED BY MOTOR VOLTAGE ON ORDER.
FUSE IS OPTIONAL.
VOLTAGE FOUND ON UNIT NAMEPLATE.
6.
5.
4.
FACTORY INSTALLED
BY OTHERS
2.
NOTES:
1.
NO
P.E. SWITCH-2
CC
P.E. SWITCH-1
BK
NC
BK
NC
BK
NO
6.
BLOCK
TERMINAL
24V
24V
1
W
2
W
3
4
CAPACITOR IS INSTALLED ON FAN HOUSING.
3.
Fan-Powered Low-Height Control Box
DUCT PRESSURE MAIN CONTROL
Fan-Powered Low-Height Control Box
BR
MOTOR
CONTROL
BLOCK
TERMINAL
SPEED
P.E. SWITCH
C
NC
NO
BK
BK
FUSE
BK
4.
SWITCH
DISCONNECT
BK
W
2.
GREEN
SCREW
GROUND
W
L1
N
2.
BR
3.
FAN CONTROL BOX
W
BR
W
W
W W
BR
CAPACITOR
W
CAPACITOR
BK
B
K
MOTOR
F
AN
3.
MOTOR 2
(SIZE 10 ONLY)
FAN
OR FROM HEATER TERMINAL
LINE VOLTAGE
5.
CAPACITOR
MOTOR
CONTROL
MOTOR
RELAY
SPEED
NO
PRESSURE
SWITCH
DUCT
BL
C
NC
TRANSFORMER
BL
Y
FUSE
BK
BK
L1
DISCONNECT
BK
BK
SWITCH
SCREW
GROUND
2.
N
GREEN
BR
FAN CONTROL BOX
BL
BK
BK
W
W
BK
W
W
BR
2.
BR
W
BR
W
BK
3.
MOTOR
FAN
CAPACITOR
3.
LINE VOLTAGE
OR FROM HEATER TERMINAL
5.
BK
(SIZE 10 ONLY)
MOTOR 2
FAN
4.
6.
CAUTION
WARNING
}
Duct Pressure Switch Option
BR
UNIT TERMINALS ARE NOT DESIGNED
TO ACCEPT OTHER TYPES OF
CONDUCTORS.
FAILURE TO DO SO MAY CAUSE
DAMAGE TO THE EQUIPMENT.
USE COPPER CONDUCTORS ONLY!
HAZARDOUS VOLTAGE!
DISCONNECT, LOCK OUT AND TAG
ALL ELECTRIC POWER INCLUDING
FAILURE TO DISCONNECT POWER
BEFORE SERVICING CAN CAUSE
SEVERE PERSONAL INJURY OR DEATH.
REMOTE DISCONNECTS BEFORE
DISCHARGE MOTOR START/RUN
CAPACITORS BEFORE SERVICING.
SERVICING.
WWiirriinngg DDiiaaggrraammss

Related product manuals