EasyManua.ls Logo

Trane 4DCZ6036 - 4 DCZ6 Field Wiring Diagram

Trane 4DCZ6036
28 pages
Print Icon
To Next Page IconTo Next Page
To Next Page IconTo Next Page
To Previous Page IconTo Previous Page
To Previous Page IconTo Previous Page
Loading...
Page 22
Installer’s Guide
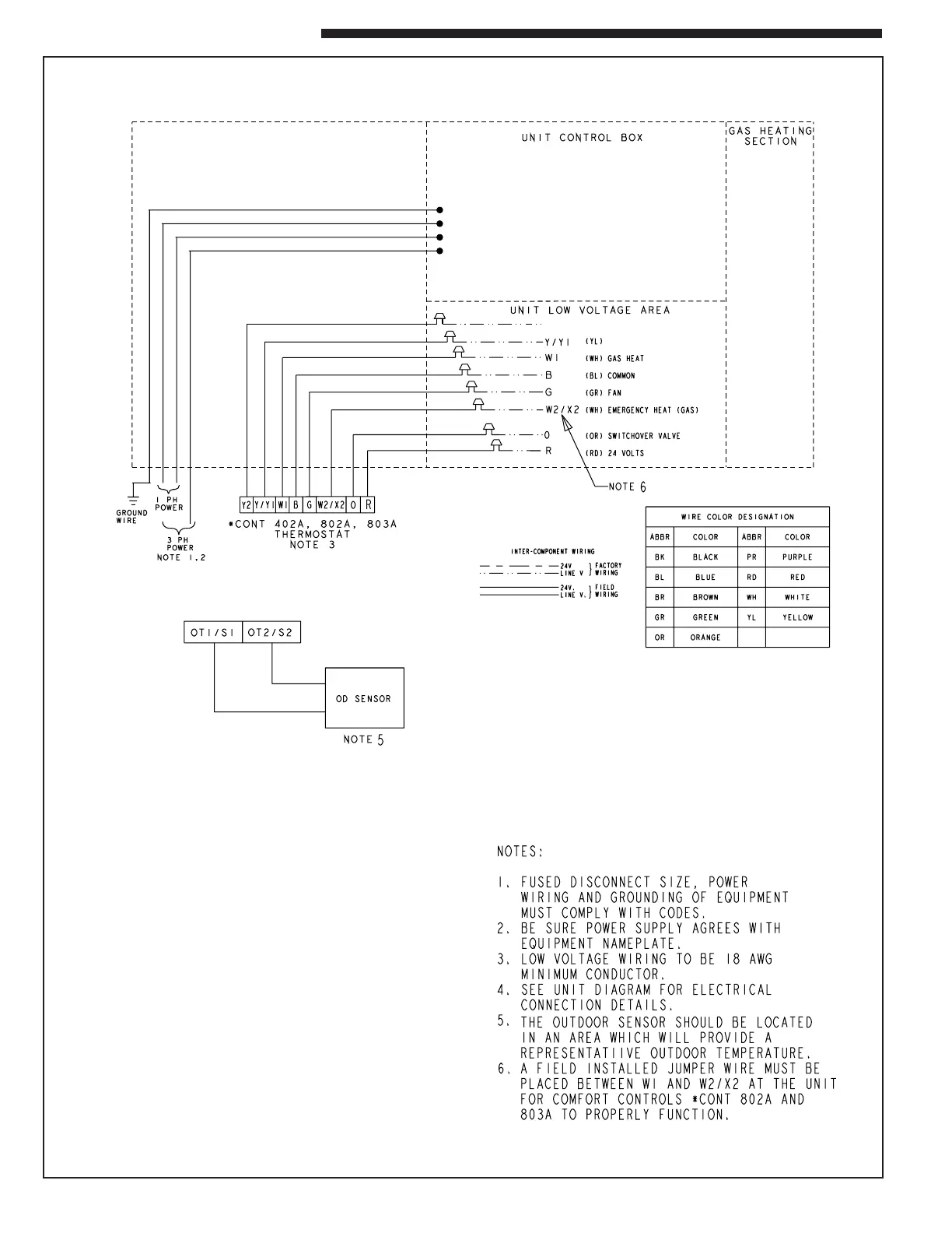
Figure 22. 4DCZ6 Field Wiring Diagram
4DCZ6 FIELD WIRING DIAGRAM
Y2 (YL/RD) 2ND STAGE COMPRESSOR
1ST STAGE COMPRESSOR
(CONSTANT CIRCULATION)

Table of Contents

Related product manuals