EasyManua.ls Logo

Trane A951X040BD3SAC - Page 90

Trane A951X040BD3SAC
108 pages
Print Icon
To Next Page IconTo Next Page
To Next Page IconTo Next Page
To Previous Page IconTo Previous Page
To Previous Page IconTo Previous Page
Loading...
90
A951X-SVX001-1D-EN
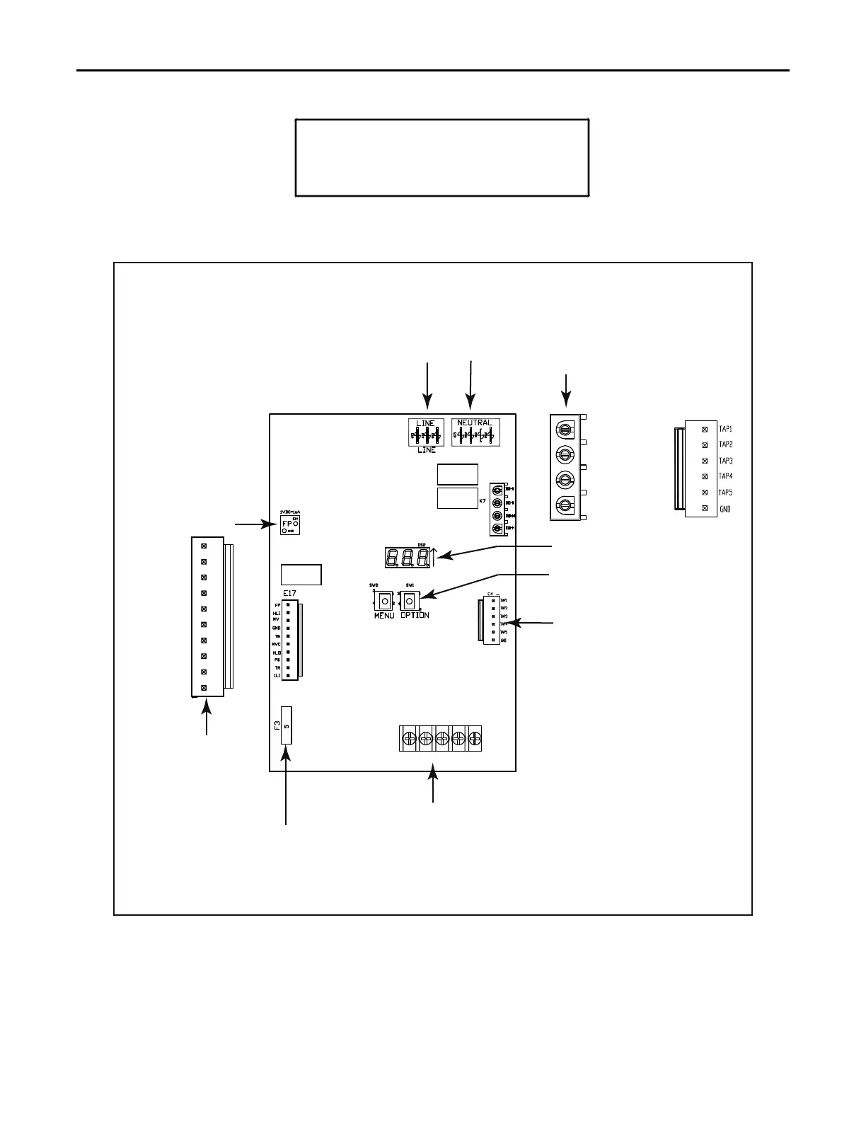
Low Voltage Terminal Strip
10 Pin
Connector
LINE
Connections
Neutral
Connections
7 Segment LED
MENU and OPTION
Select Buttons
5 Amp Fuse
Flame Current
FP
HLI
W R G B/C Y/Y1
Inducer/Igniter
Connector
IGN-N
IND-N
IND-H
IGN-H
MV
GND
TH
MVC
HLO
PS1
TR
ILI
6 Pin CTM Motor
Connector
Tap 1 - Low Speed
Tap 2
Tap 3
Tap 4
Tap 5 - High Speed
Common
6 Pin CTM
Connector
A951X IFC Component Layout
TTrroouubblleesshhoooottiinngg

Table of Contents