EasyManua.ls Logo

Trane HFCC Series - Wiring Diagram

Trane HFCC Series
12 pages
Print Icon
To Next Page IconTo Next Page
To Next Page IconTo Next Page
To Previous Page IconTo Previous Page
To Previous Page IconTo Previous Page
Loading...
8
UNT-SVN006-EN
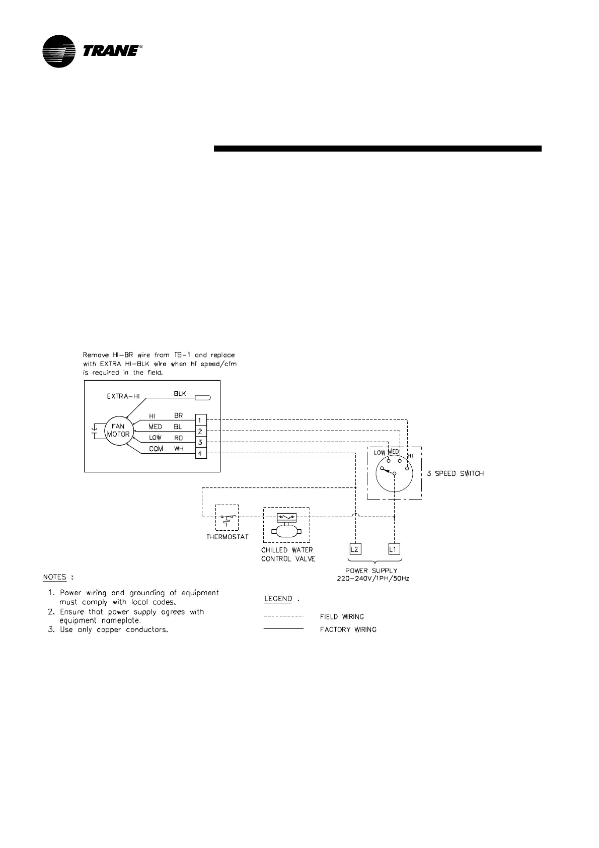
Wiring Diagram
CHILLED WATER FAN COIL
HFCC 04-12
HFCD 14-20

Related product manuals