EasyManua.ls Logo

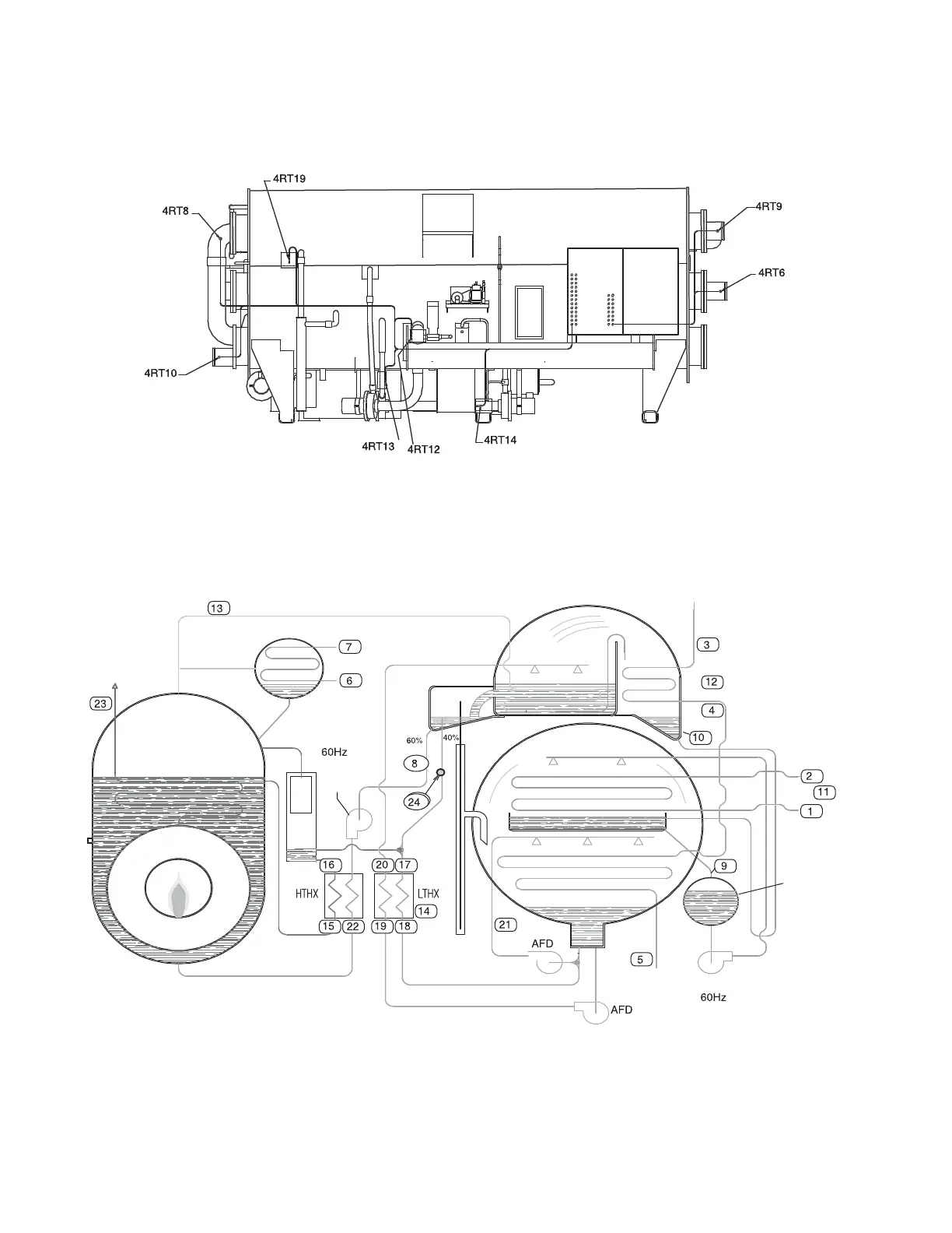
Trane HORIZON ABDA - Machine Sensor Locations; Figure 12. Machine Sensor Locations (Continued); Figure 13. Sensor locations of the absorption fluid cycle - see table 7

Trane HORIZON ABDA
92 pages
To Next Page IconTo Next Page
To Next Page IconTo Next Page
To Previous Page IconTo Previous Page
To Previous Page IconTo Previous Page
Loading...
56
Machine Sensors
Figure 12. Machine Sensor Locations (Continued)
Left Hand End
Right Hand End
Figure 13. Sensor locations of the absorption fluid cycle – see table 7
Front View
Direct-Fired Absorption Unit
Low Temperature Generator
Optional Hot Water Heater
High
Temperature
Generator
Pump
Direct-Fired Generator
(HTG)
Absorber Spray
Pump
LTSP
Low Temperature Solution Pump
Evaporator Spray Pump
Refrigerant
Storage
Evaporator
Absorber
Condenser

Related product manuals