EasyManua.ls Logo

Trane HUV - Fully Recessed Unit

Trane HUV
132 pages
Print Icon
To Next Page IconTo Next Page
To Next Page IconTo Next Page
To Previous Page IconTo Previous Page
To Previous Page IconTo Previous Page
Loading...
UV-PRC001-EN 41
Application
Considerations
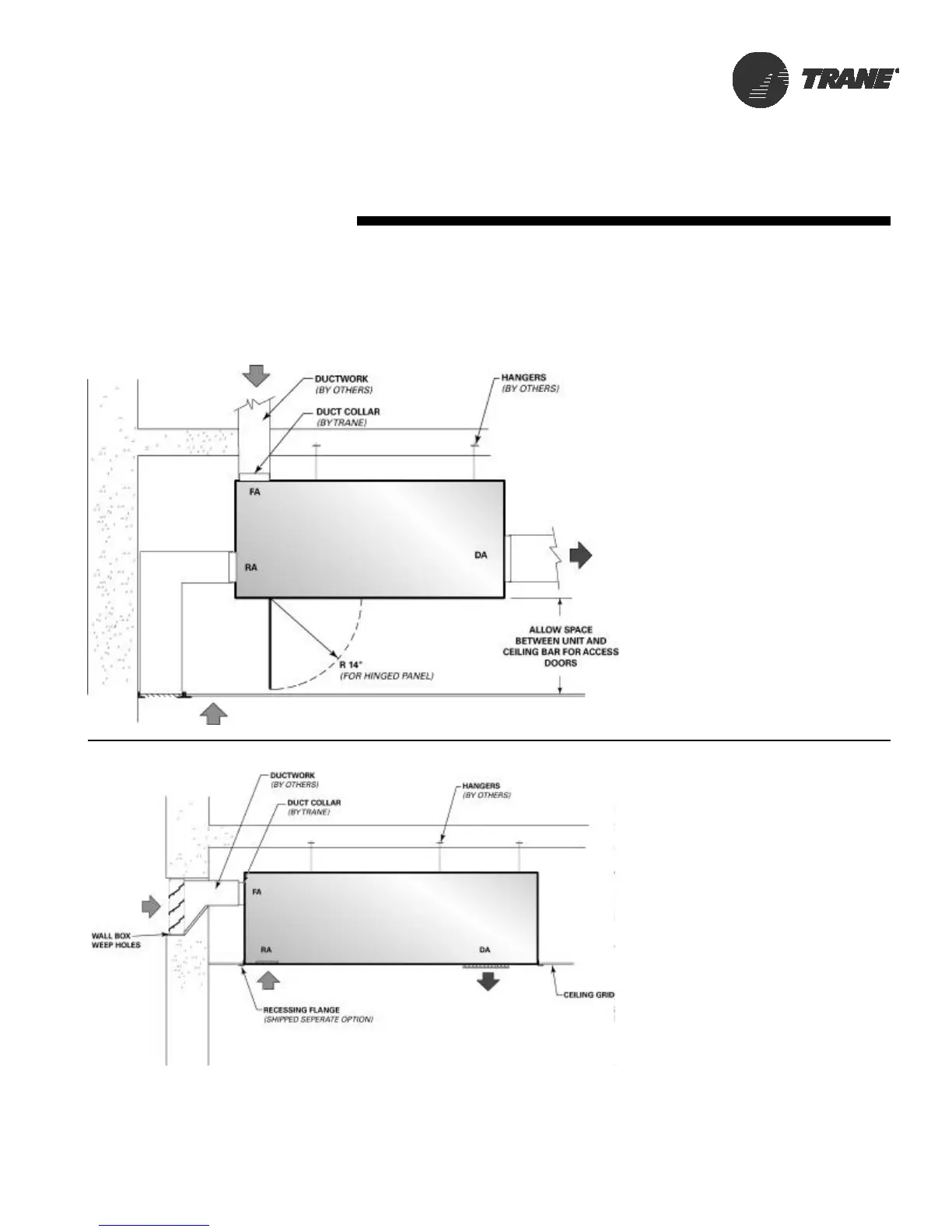
Fully Recessed Unit
The horizontal unit ventilator is a
ceiling hung air conditioner. The
typical application is in an interior
zone of a school. Trane offers sev-
eral inlet and discharge arrange-
ments to allow for numerous
application needs.
For a totally concealed unit, Trane
offers duct collars on the outside
air inlet, return air inlet and dis-
charge air outlet.
Partially Exposed Unit
The bottom discharge arrange-
ment adds an overall width di-
mension of 13 1/8-inch for unit
sizes 075-150, and an added width
of 14 1/8-inch for unit size 200.
To give the unit a finished appear-
ance, recessing flanges may be
selected.

Other manuals for Trane HUV

Related product manuals