EasyManua.ls Logo

Trane HUV - Fully Exposed Unit

Trane HUV
132 pages
Print Icon
To Next Page IconTo Next Page
To Next Page IconTo Next Page
To Previous Page IconTo Previous Page
To Previous Page IconTo Previous Page
Loading...
42 UV-PRC001-EN
Application
Considerations
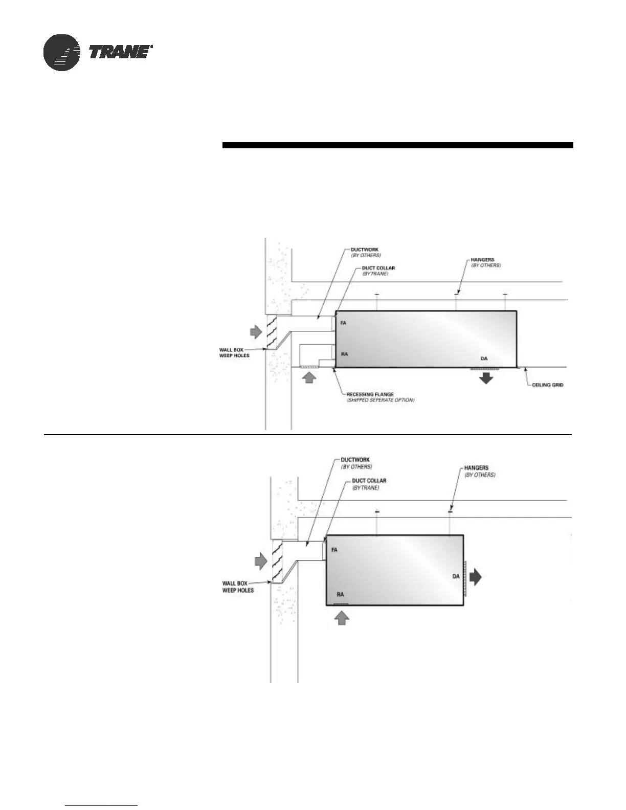
Partially Exposed Unit
Another example of a partially ex-
posed unit ventilator is a fresh-air
upper back, with a return-air lower
back, and a bottom double deflec-
tion discharge (option F in Digit
20).
This application requires field
supplied ductwork to be run to
the unit ventilator.
Fully Exposed Unit
The typical combination for a fully
exposed unit application is a
fresh-air ducted upper back, with
a return-air bar grille on the bot-
tom, and front discharge (option H
in Digit 20).
Note: All horizontal unit configu-
rations contain an appliance
grade paint finish.

Other manuals for Trane HUV

Related product manuals