EasyManua.ls Logo

Trane PRGD series - Typical Purge Refrigeration Circuit; Operating Cycle

Trane PRGD series
40 pages
Print Icon
To Next Page IconTo Next Page
To Next Page IconTo Next Page
To Previous Page IconTo Previous Page
To Previous Page IconTo Previous Page
Loading...
16
PRGD-SVX01F-EN
During the purge refrigeration circuit Off cycle, the time
remaining is displayed as the Time Until Next Purge
Run in the purge report of the Tracer® AdaptiView™
display.
If the controls determine it is necessary to run the
purge while the chiller compressor is Off, the purge will
be started and run until 60 consecutive minutes have
passed without any pump-out of non-condensables.
If the chiller compressor starts before the purge Off
cycle has elapsed, the purge starts and transfers to
Adaptive Mode Procedure—Chiller Compressor On.
Figure 4, p. 14, illustrates this process.
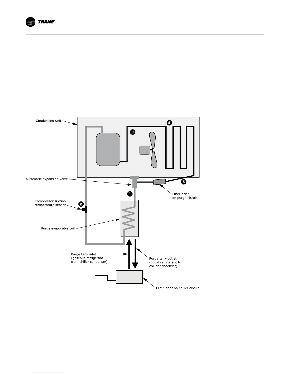
Typical Purge Refrigeration
Circuit Operating Cycle
At typical operating temperatures of 70°F (21.1°C)
ambient and 100°F (37.8°C) condensing, the purge
refrigeration cycle should have the temperatures
shown in the following figure for Locations 1–5.
NNoottee:: To troubleshoot the system by taking these
temperatures, refer to “Taking Surface
Temperature Measurements,” p. 30.
Figure 6. Purge refrigeration circuit showing temperatures at various locations in operating cycle
Temperatures at numbered locations:
1. After expansion device: -16°F (-26.7°C)
2. Compressor suction line temperature: greater than 60°F (15.5°C) when few non-condensables are present
3. Compressor discharge temperature: 150°F (65.5°C)
4. Condensing temperature: 85°F (29.4°C)
5. Liquid line temperature: 75°F (23.9°C)
The purge condensing-unit compressor suction
temperature (Location 2 in the preceding figure) varies
with the amount of non-condensables collected in the
purge tank. If the amount of non-condensables
SSeeqquueennccee ooff OOppeerraattiioonnss

Table of Contents

Related product manuals