EasyManua.ls Logo

Trane PRGD series - Page 35

Trane PRGD series
40 pages
Print Icon
To Next Page IconTo Next Page
To Next Page IconTo Next Page
To Previous Page IconTo Previous Page
To Previous Page IconTo Previous Page
Loading...
PRGD-SVX01F-EN
35
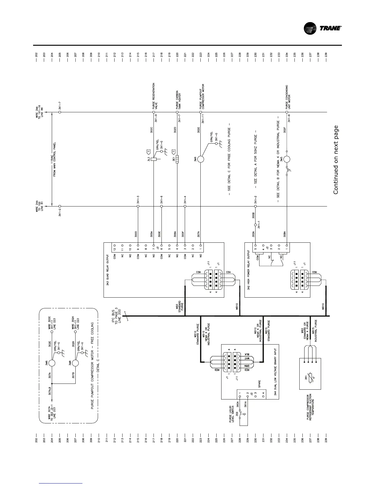
SScchheemmaattiicc WWiirriinngg DDiiaaggrraamm

Table of Contents

Related product manuals