EasyManua.ls Logo

Trane Quantum CLCPEuro - Page 58

Trane Quantum CLCPEuro
72 pages
Print Icon
To Next Page IconTo Next Page
To Next Page IconTo Next Page
To Previous Page IconTo Previous Page
To Previous Page IconTo Previous Page
Loading...
TRANE
R
54
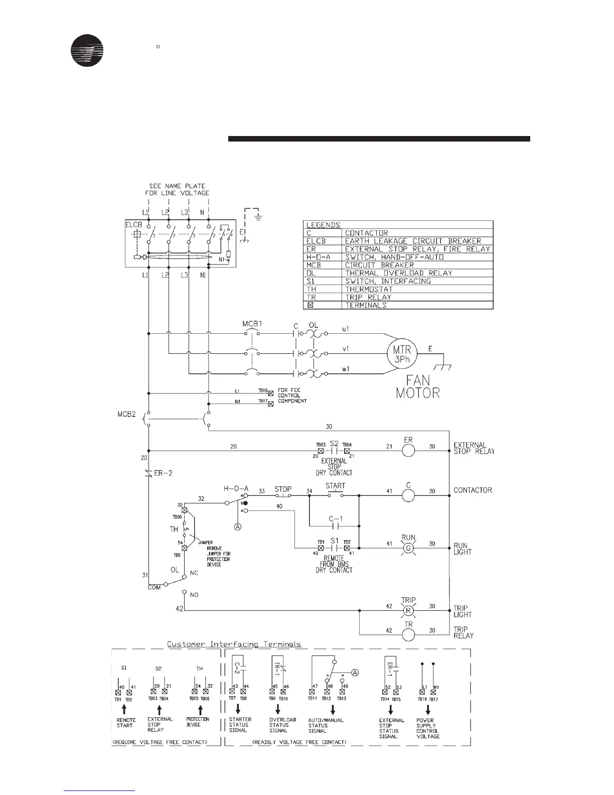
Typical - Wiring Diagram
Starter, Dol
380 - 420V, 3Phase, 4Wires, + ELCB Standard

Related product manuals