EasyManua.ls Logo

Trane Quantum CLCPEuro - Page 60

Trane Quantum CLCPEuro
72 pages
Print Icon
To Next Page IconTo Next Page
To Next Page IconTo Next Page
To Previous Page IconTo Previous Page
To Previous Page IconTo Previous Page
Loading...
TRANE
R
56
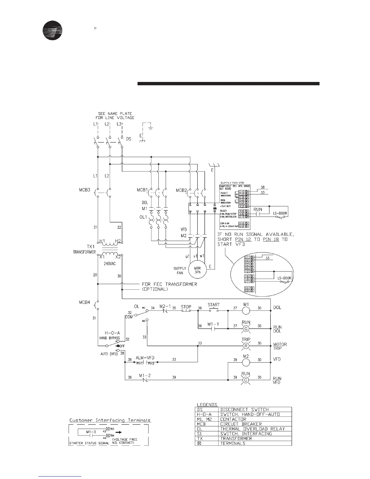
Typical - Wiring Diagram
VFD Starter + Dol
Bypass Starter C/W Door Switch
380/415/440/460V, 3Phase, 3Wires

Related product manuals