EasyManua.ls Logo

Trane RTHA - Page 35

Trane RTHA
48 pages
Print Icon
To Next Page IconTo Next Page
To Next Page IconTo Next Page
To Previous Page IconTo Previous Page
To Previous Page IconTo Previous Page
Loading...
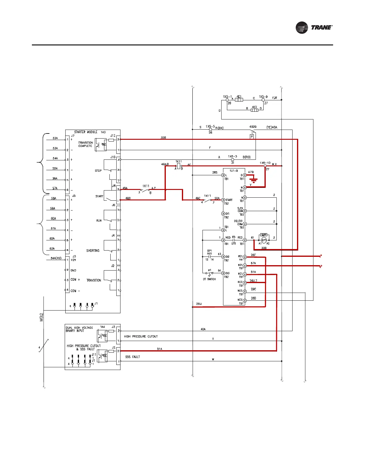
Figure 34. Control power wiring (new wiring bold/highlighted in red) — RTHD - MX Starter
Current Transformers
Potential Transformer
To Shunt
Trip Coil
(H) (N)
RTHD Units with IT Starter
RLC-SVN005B-EN 35

Related product manuals