EasyManua.ls Logo

Trane RTHA - Page 36

Trane RTHA
48 pages
Print Icon
To Next Page IconTo Next Page
To Next Page IconTo Next Page
To Previous Page IconTo Previous Page
To Previous Page IconTo Previous Page
Loading...
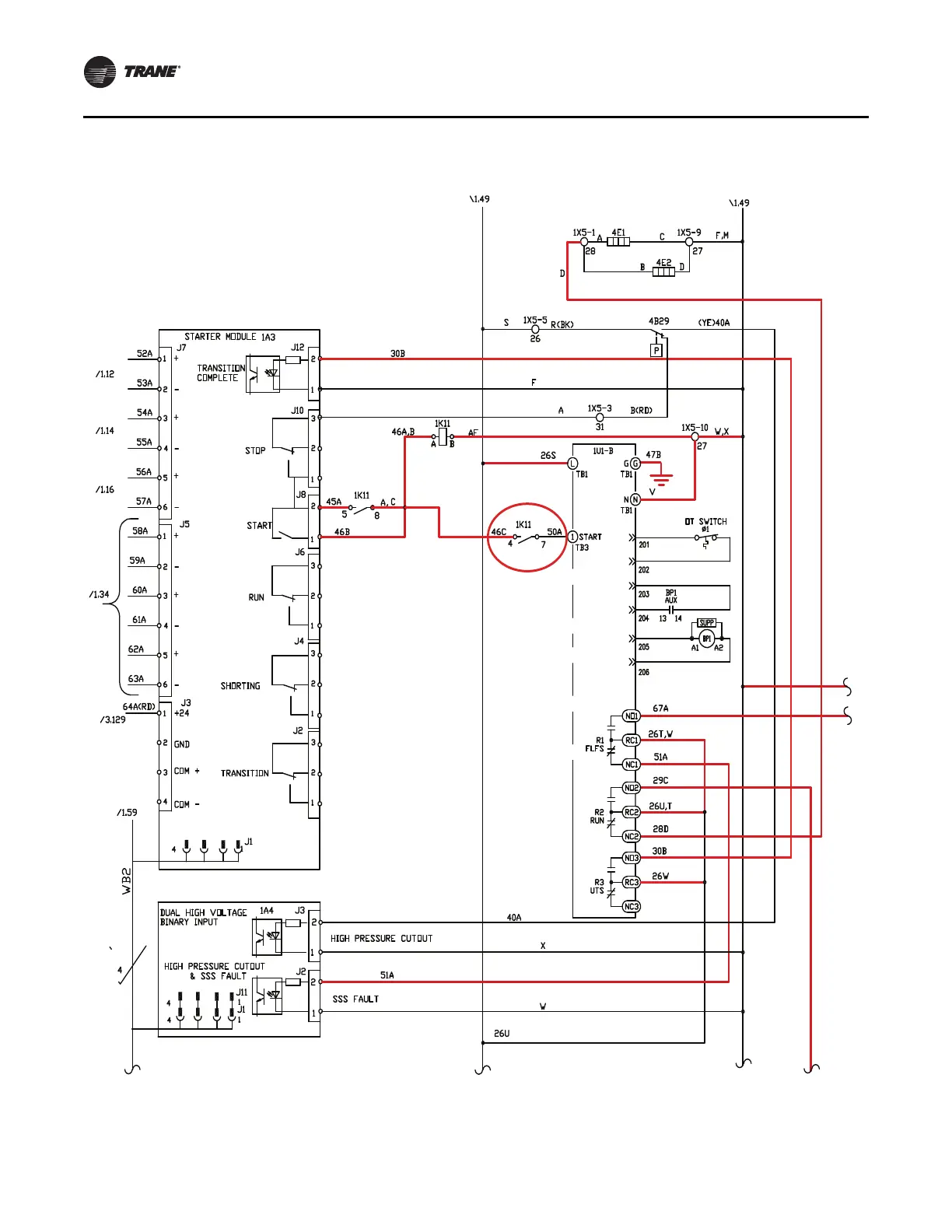
Figure 35. Control power wiring (new wiring bold/highlighted in red) — RTHD - MX2 Starter
RTHD Units with IT Starter
36 RLC-SVN005B-EN

Related product manuals