EasyManua.ls Logo

Trane RuptureGuard CDHF - Page 14

Trane RuptureGuard CDHF
24 pages
Print Icon
To Next Page IconTo Next Page
To Next Page IconTo Next Page
To Previous Page IconTo Previous Page
To Previous Page IconTo Previous Page
Loading...
14
CTV-SVX06J-EN
NNoottee:: On model CDHF, CDHG, CVHE, CVHF, CVHG,
and CVHL CenTraVac
chillers, the chiller
will be prepared for one of two installation
methods, depending upon what size valve is
applied.
2. Attach the pre-assembled RuptureGuard to the
chiller flange connection using one of the following
two methods: “Three-inch (76.2 mm) RuptureGuard
Installation,” p. 15 or “Four-inch (101.6 mm)
RuptureGuard Installation,” p. 16. Be sure to
provide adequate support for the valve.
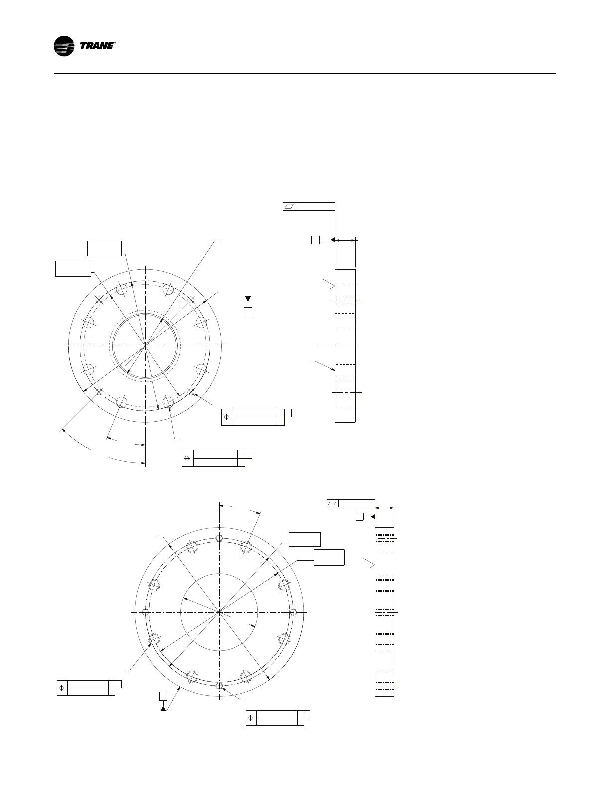
3. The chiller flanges for all sizes EXCEPT 250E Heat
Recovery are 3 in. (76.2 mm) (see Figure 13, p. 14);
the 250E Heat Recovery chiller flange is 4 in. (101.6
mm) (see Figure 14, p. 14).
Figure 13. Three-inch (76.2 mm) chiller flange, in. (mm)
22.5°
45.0°
A
FLANGE
A36 STL
B
3/8-16 UNC-2B (M10x1.5)
4X EQUALLY SPACED
Ø 7.5 (Ø 190.5)
Ø 3.2 (Ø 81.3)
FLANGE ID
1.000 (25.4) MIN
Ø 6.38
(Ø 162.05)
5/8-11 UNC-2B (M18x2)
8X EQUALLY SPACED
Ø 6.00
(Ø 152.40)
Ø.060 (Ø 1.5) A B
Ø.030 (Ø.76) A
0.030 (0.76)
Ø.060 (Ø 1.5) A B
Ø.030 (Ø.76) A
Figure 14. Four-inch (101.6 mm) chiller flange (250E Heat Recovery chiller only), in. (mm)
22.5°
Ø 3/8-16 UNC-2B (M10x1.5)
4X EQUALLY SPACED
A
B
Ø.060 (Ø 1.5) A B
Ø.030 (Ø.76) A
Ø 7.50
(Ø 190.50)
Ø 9.0
(Ø 228.6)
Ø 7.88
(Ø 200.15)
Ø 4.1
5/8-11 UNC-2B (M18x2)
8X EQUALLY SPACED
1.000 (25.4) MIN
0.030 (0.76)
Ø.060 (Ø 1.5) A B
Ø.030 (Ø.76) A
IInnssttaallllaattiioonn

Related product manuals