EasyManua.ls Logo

Trane TR200 - Page 49

Trane TR200
86 pages
To Next Page IconTo Next Page
To Next Page IconTo Next Page
To Previous Page IconTo Previous Page
To Previous Page IconTo Previous Page
Loading...
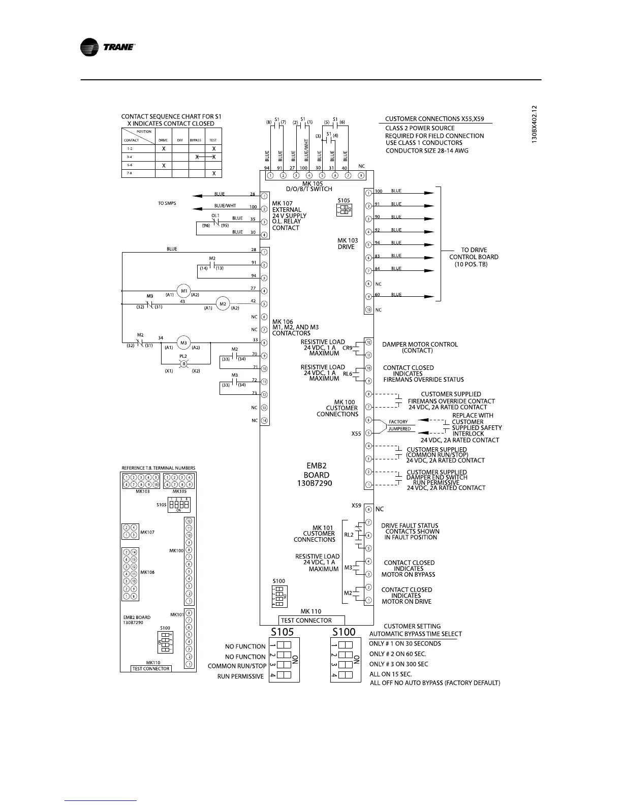
Figure 5.1 Customer Side EMB2 Control Card Terminal Connections
Electromechanical Bypass (E...
5-2 BAS-SVX49A-EN

Table of Contents

Other manuals for Trane TR200

Related product manuals