EasyManua.ls Logo

Transpak TP-6000CE3 - Wiring Diagram

Default Icon
121 pages
Print Icon
To Next Page IconTo Next Page
To Next Page IconTo Next Page
To Previous Page IconTo Previous Page
To Previous Page IconTo Previous Page
Loading...
-17-
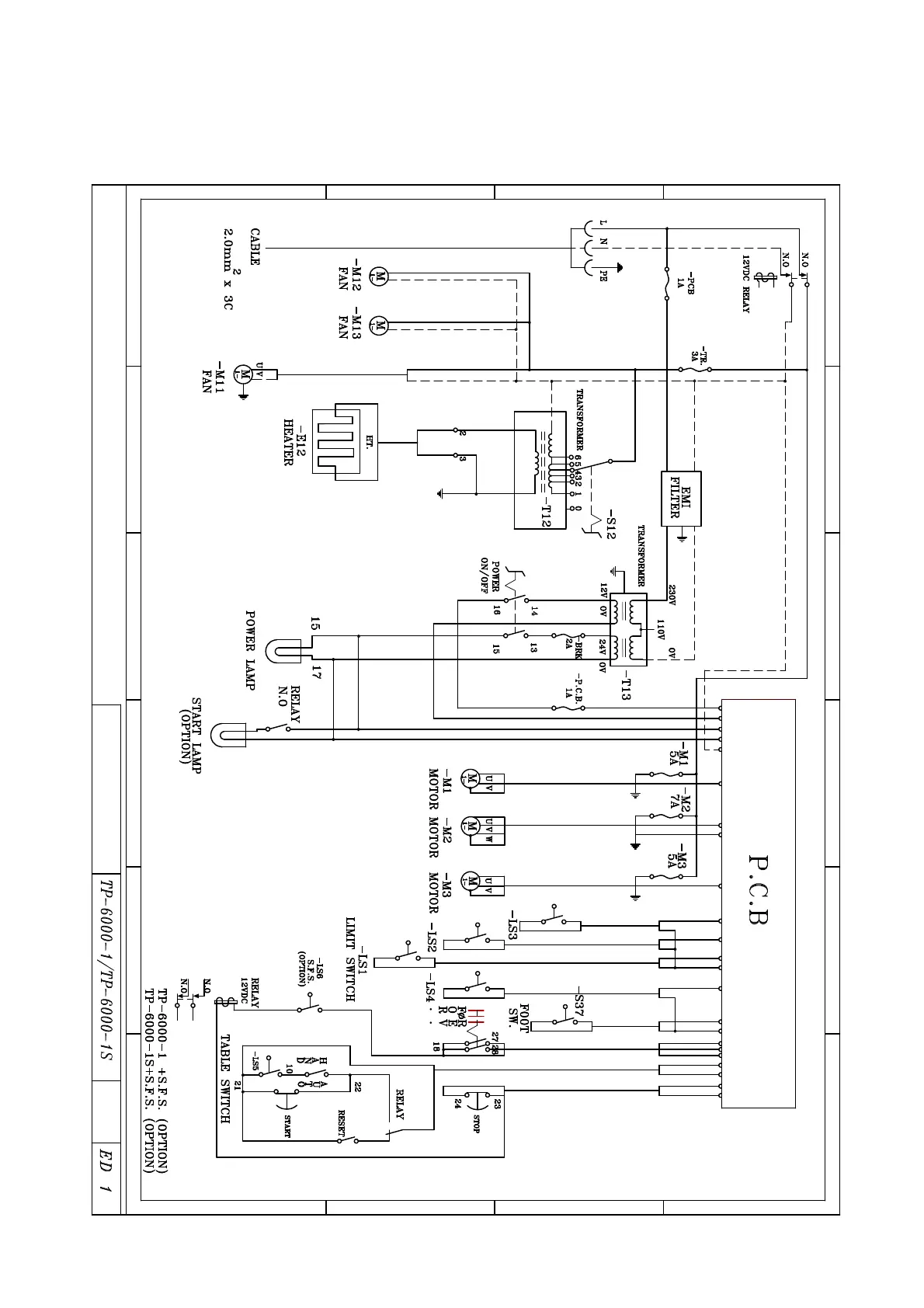
11. Wiring Diagram
a. TP-6000-1/TP-6000-1S
PAGE
1
A
B
2
3
MACHINE
MODEL
C
D E
4
A
B
C
D E
F
1
2
3
4
F
01/18/08

Related product manuals