EasyManua.ls Logo

Transpak TP-6000CE3 - Bill of Material and Major Unit Components; Bill of Material Explanation

Default Icon
121 pages
Print Icon
To Next Page IconTo Next Page
To Next Page IconTo Next Page
To Previous Page IconTo Previous Page
To Previous Page IconTo Previous Page
Loading...
-21-
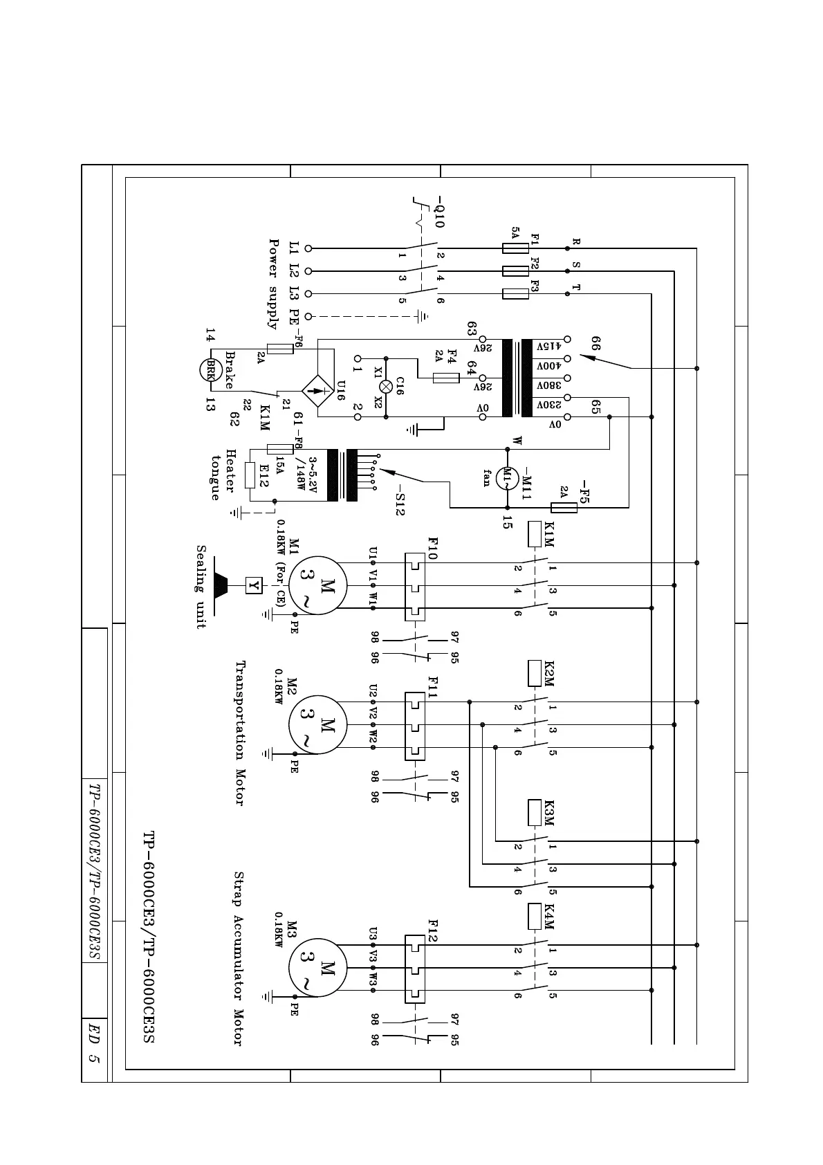
e. TP-6000CE3/TP-6000CE3S
PAGE
1
A
B
2
3
MACHINE
MODEL
C
D E
4
A
B
C
D E
F
1
2
3
4
F
01/18/08

Related product manuals