EasyManua.ls Logo

Transpak TP-6000CE3 - Page 49

Default Icon
121 pages
Print Icon
To Next Page IconTo Next Page
To Next Page IconTo Next Page
To Previous Page IconTo Previous Page
To Previous Page IconTo Previous Page
Loading...
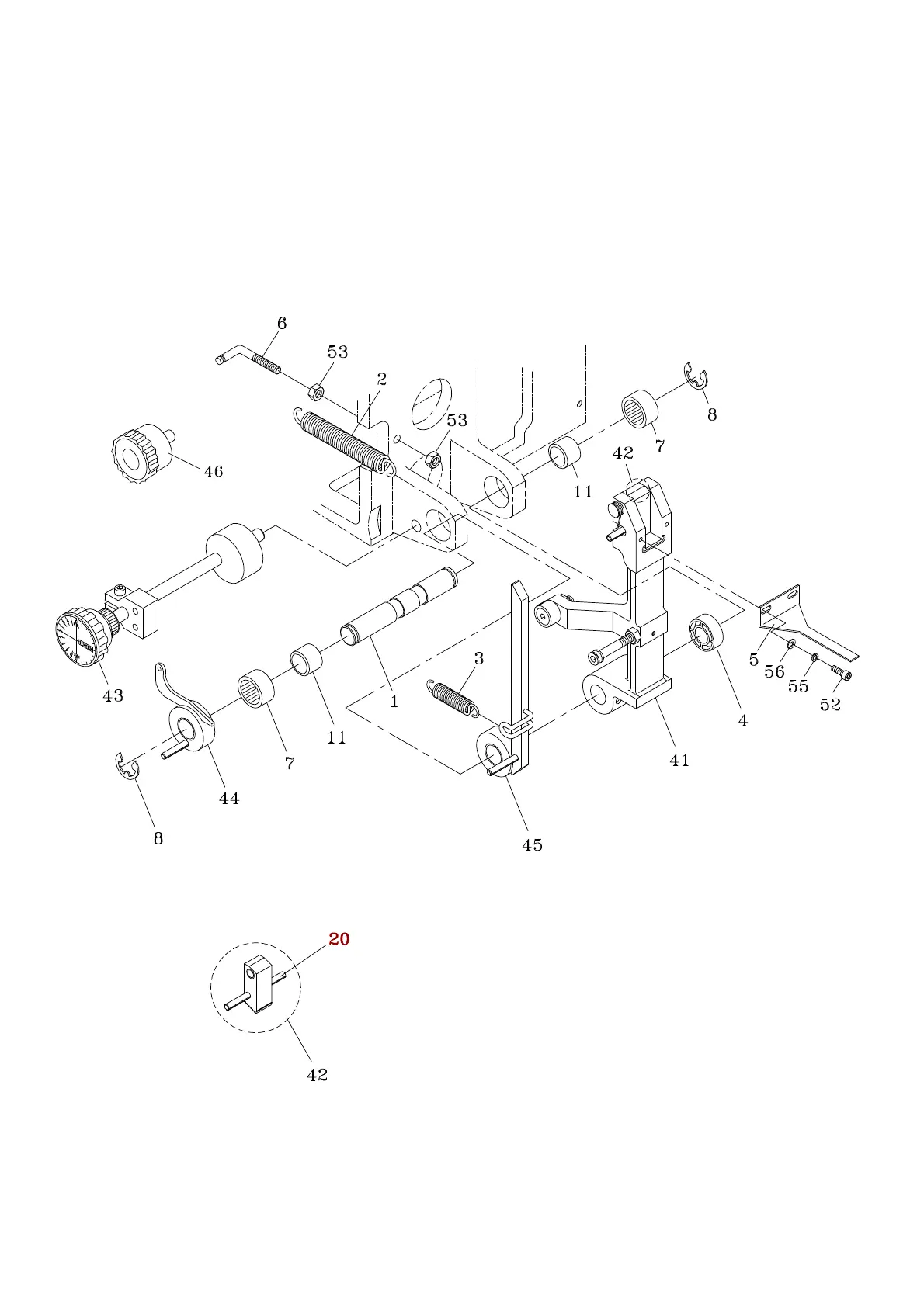
TENSION GROUP
-20-
1-6 T6-1-60000
01/18/08

Related product manuals