EasyManua.ls Logo

Troy-Bilt 809 - Page 34

Troy-Bilt 809
48 pages
Print Icon
To Next Page IconTo Next Page
To Next Page IconTo Next Page
To Previous Page IconTo Previous Page
To Previous Page IconTo Previous Page
Loading...
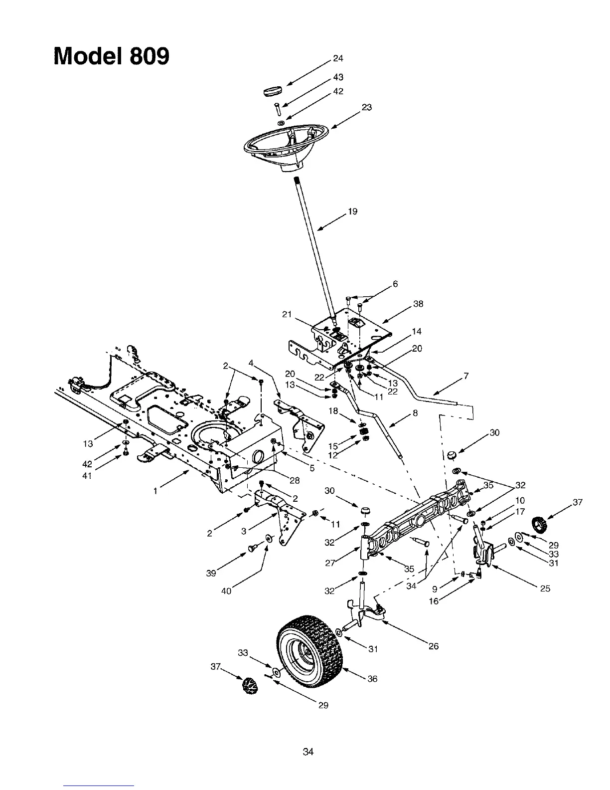
Model 809
31
25
33
34

Related product manuals