EasyManua.ls Logo

Truma Trumatic E 4000 - Collegamento Della Doppia Tubazione al Riscaldamento; Installazione Interna con Set Per Camino a Tetto; Montaggio del Camino a Tetto; Montaggio del Separatore DI Condensa

Truma Trumatic E 4000
Print Icon
To Next Page IconTo Next Page
To Next Page IconTo Next Page
To Previous Page IconTo Previous Page
To Previous Page IconTo Previous Page
Loading...
48
Prima di infilare nel foro il tubo doppio per gas di scarico
calzare la fascetta (7) sui tubi.
Inserire la guarnizione in gomma (8 – lato liscio in corri-
spondenza del camino, labbri di tenuta in corrisponden-
za della parete) sulla parte interna del camino (9).
Comprimere inizialmente – a circa 2 cm – il tubo di scarico (1)
in modo che la distanza tra le spire sia uniforme.
Infilare la fascetta (2 – con le graffe rivolte verso il camino) sul
tubo di scarico (1).
Spingere il tubo di scarico (1) sul bocchettone (11 – con l’an-
golo rivolto verso l’alto) fino all’arresto.
Spingere la fascetta (2) fino all’arresto (l’arresto deve trovarsi
tra le graffe della fascetta) e avvitare a fondo.
Spingere il tubo di alimentazione dell’aria di combustione (5)
sul bocchettone dentellato (12).
Fissare l’elemento interno del camino (9) con 6 viti Parker (13),
montare l’elemento ester no (14) e fissare con 2 viti (15).
Fissare il tubo per l'aria di combustione con fascetta (7) dall'in-
terno sul bocchettone (12).
Fissare alla parete il tubo doppio del camino con almeno una
fascetta ZRS (16).
16
7
1
5
3 – 4 Nm
3
11
12
9
14
13
8
15
Ø
83 mm
TOP OBEN
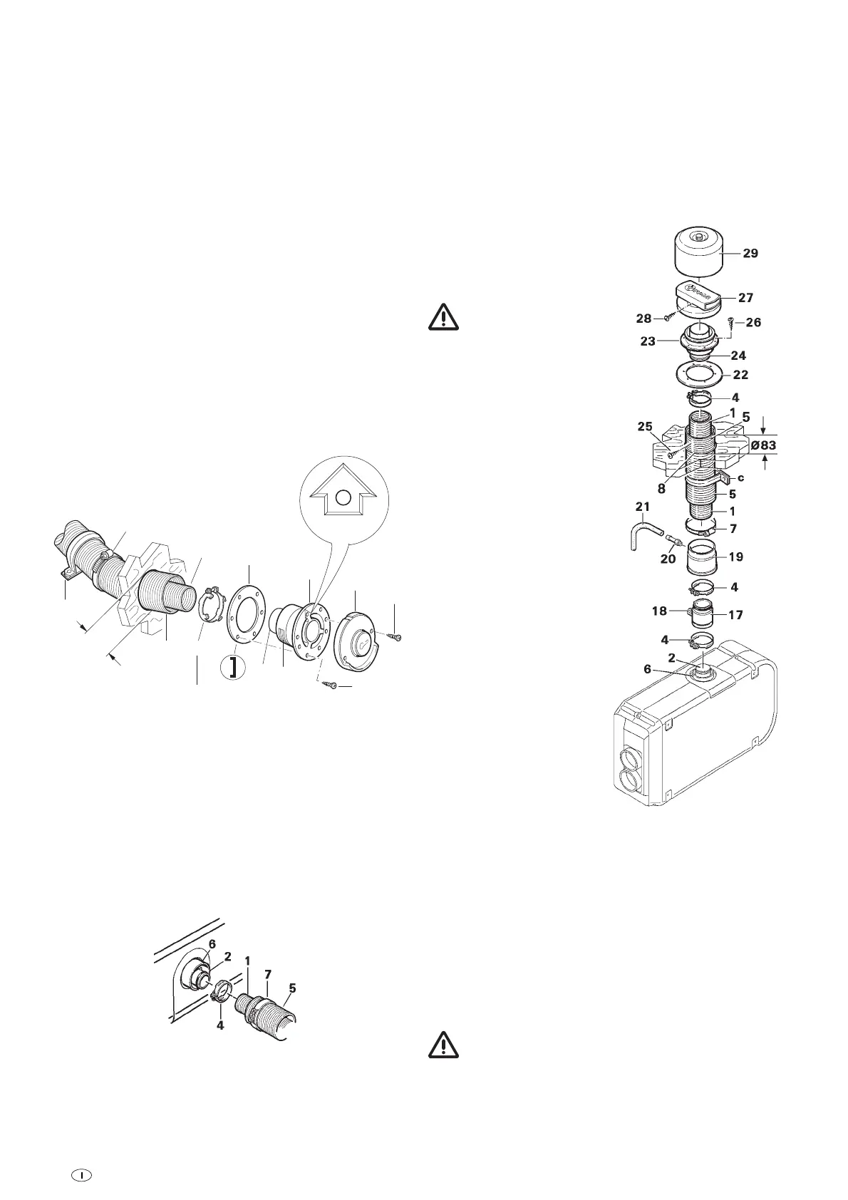
Figura 16
Collegamento della doppia tubazione al
riscaldamento
Far scorrere la fascetta (7) sui tubi. Comprimere la parte inizia-
le del tubo di scarico (1) in modo che le spire siano attaccate
l'una all'altra. Inserire la fascetta (4) sul tubo di scarico (1). In-
serire il tubo di sca-rico sul bocchettone (2) attraverso
l'anello toroidale. Agganciare la fascetta (4) e fissarla con la
vite. Fissare il tubo di apporto aria di combustione (5) sul boc-
chettone (6) mediante la fascetta (7).
Figura 17
Installazione interna con set per camino
a tetto
Vedi variante d'installazione 3 (pagina 2).
Montare il camino a tetto su una superficie possibilmente pia-
na esposta alla corrente d'aria su tutti i lati. Dal riscaldamento
al camino deve essere possibile di collocare la tubazione in
salita su tutta la lunghezza (max. 2 m)!
Montaggio del separatore di condensa
Fra riscaldamento e la doppia
tubazione è necessario monta-
re un separatore di condensa
per il drenaggio della conden-
sa e dell'acqua piovana.
La doppia tubazione di
scarico non deve pen-
dere liberamente; il punto più
in basso deve essere costituito
dal separatore di condensa!
Inserire la fascetta (4), com-
pletamente aperta, sull'anello
toroidale e sul bocchettone di
scarico (2) – se il separatore
di condensa viene montato in
posizione orizzontale rispetto
al riscaldamento, lo scarico
(18) deve essere rivolto verso
il basso). Agganciare la fascet-
ta (4) e fissarla con la vite.
Stringere lo scarico (18).
Montaggio del camino
a tetto
Eseguire l'apertura (8) con
Ø 83 mm (nel caso di interca-
pedini nell'ambito dell'apertura
di passaggio camino eseguire
un rivestimento interno in
legno). L'ermetizzazione va
eseguita con la guarnizione in
gomma di dotazione (22). Nel
caso di superfici strutturate
applicare sigillanti plastici
per carrozzeria, non utilizzare
silicone.
Figura 18
Nel caso di tetto di forte spessore collegare per prima cosa
dall’esterno la doppia tubazione di scarico al camino. Applica-
re la guarnizione in gomma (22) e la fascetta (4) alla parte in-
terna del camino (23). Comprimere la parte iniziale del tubo di
scarico (1) in modo che le spire siano attaccate l'una all'altra
ed inserire sul bocchettone (24), sull'anello toroidale. Aggan-
ciare la fascetta (4) e fissarla con la vite.
Inserire il tubo di apporto aria di combustione (5) sul bocchet-
tone dentato e fissare con le viti di colore nero (25).
Fissare la parte del camino (23) con 6 viti (26). Applicare la
calotta del camino (27) e fissare con 2 viti (28).
Le aperture di scarico gas esausti del camino a tetto
devono essere rivolti in posizione trasversale rispetto la
direzione di marcia.
Applicare sempre la calotta di chiusura (29) quando il riscalda-
mento non è in funzione.

Table of Contents

Other manuals for Truma Trumatic E 4000

Related product manuals