EasyManua.ls Logo

Truma Trumatic E 4000 - Montering Af Betjeningsdel Med Drejekontakt; Montering Af Betjeningsdel Med Skydekontakt; Montering Af Betjeningsdelen; Tilførsel Af Varmluft Og Tilbageføring Af Cirkulationsluft Ved Udvendig Montering

Truma Trumatic E 4000
Print Icon
To Next Page IconTo Next Page
To Next Page IconTo Next Page
To Previous Page IconTo Previous Page
To Previous Page IconTo Previous Page
Loading...
76
Luftcirkulation
Returluften (U) opsuges direkte igen af ovnen.
Hvis ovnen monteres i en lukket kasse el.lign., skal der i den-
ne kasse anbringes en tilstrækkelig stor åbning (ca. 200 cm²)
til luftcirkulationen.
Luftvejene til ovnen må ikke dækkes til!
Tilførsel af varmluft og tilbageføring af
cirkulationsluft ved udvendig montering
Se monteringsforslag figur 4 + 5 (side 2).
Varmlufttilførslen og returlufttilførslen mellem ovnen og
køretøjet, specielt i områder med stenslag, skal udføres
med fleksible luftrør LF eller i beskyttet område med luftrør
LI (Ø 106 mm).
Ved at anbringe en beskyttelseskasse over hele varmeanlæg-
get beskyttes dette mod beskadigelser samt vind og vejr, og
samtidig tjener kassen som ekstra isolering.
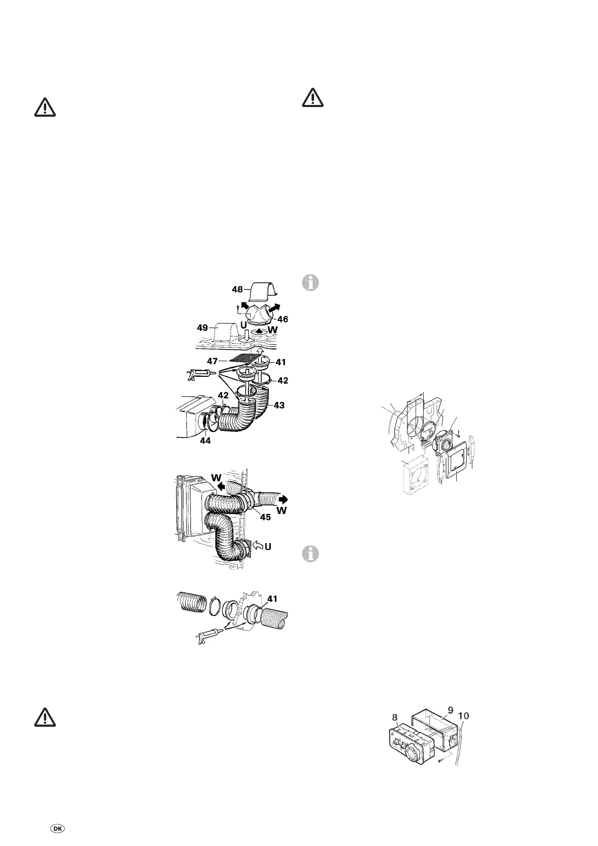
Bor to huller på Ø 100 mm. Mon-
tér de to tilslutningsstudser (41) på
flangen med tætningsmiddel og
skru dem på åbningerne udven-
digt. Montér gitteret (47) i
luftcirkulationen (U) mellem ind-
sugningsstudsen og køretøjets
væg. Sæt spændebåndet
LFS (42) på luftrøret (43). Skub
luftrøret over studsen på ovnen
(44) og på tilslutningsstudsen (41)
og fastgør begge med spænde-
bånd LFS (42). Overgangene tæt-
nes med silikonepasta.
Figur 22
Hule dobbeltvægge skal tætnes i
området ved luftledningen. Dette
gøres ved at sætte to sammenrul-
lede blikstrimler eller et rørstykke
(45) med Ø 97 til 100 mm ind i
åbningerne.
Figur 23
I kabinen kan den varme luft vide-
reføres med luftrør LI (Ø 106 mm).
For tilslutningen af luftrøret monte-
res en anden studs (41) i åbningen
indvendigt. De to tilslutningsstud-
ser kan skrues sammen gennem
væggen.
Figur 24
Hvis man ønsker at fordele den varme luft i kabinen, kan man
montere en luftfordeler (46) på varmlufttilførslen (W) med
4 skruer.
Hullet til lufttilbageførsel må ikke lukkes eller
indsnævres!
Luftfordeleren (46) har 2 tilslutninger for rør VR 72 (Ø 72 mm),
som ikke må lukkes. Den medfølgende beskyttelsesplade (48)
fungerer som varmebeskyttelse og skal monteres over luftfor-
deleren (46). En anden beskyttelsesplade (49) kan monteres
over åbningen for lufttilbageføring for at beskytte denne mod
tilstopning (Tilbehør, art.-nr. 39010-11500).
Varmluftsystemet dimensioneres individuelt for hver køretøjs-
type efter modulprincippet. Til dette formål står der et bredt
tilbehørsprogram til rådighed (se brochure).
Montering af betjeningsdelen
Ved anvendelse af køretøjs- eller fremstillerspecifikke
betjeningsdele skal den elektriske tilslutning ske iht.
Truma grænsefladebeskrivelserne. Hvis der foretages ændrin-
ger på tilhørende Truma-dele, bortfalder garantien og produ-
centen påtager sig intet ansvar. Montøren (producenten) er
ansvarlig for at der medfølger en brugsanvisning til forbruge-
ren samt for mærkning af betjeningsdelene!
Ved valg af monteringssted skal der tages hensyn til, at be-
tjeningsdelene ikke må udsættes for direkte varmepåvirkning.
Tilslutningskabellængde 4 m eller 10 m.
Hvis montering under gardiner eller lignende steder ikke kan
undgås, så skal der anvendes en fjernføler til rumtemperatur
(Tilbehør).
Montering af betjeningsdel med drejekontakt
Hvis indbygning ikke er mulig, kan Truma tilbyde en
ramme (1 – art.-nr. 40000-52600) som tilbehør.
Bor et hul Ø 55 mm.
Kablet (2) på betjeningsdelen (3) tilsluttes og den bagerste
afskærmning (4) monteres som trækaflastning.
Kablet skubbes igennem, bagud og placeres i forhold til den
elektroniske styreenhed.
Ø 55 mm
2
7
7
6
1
3
5
4
Figur 25
Betjeningsdelen fastgøres med 4 skruer (5) og rammen (6)
monteres.
Som afslutning til rammerne (6) kan Truma tilbyde
sidedele (7) i 8 forskellige farver. Spørg din forhandler.
Spørg Deres forhandler.
Montering af betjeningsdel med skydekontakt
Til eksisterende indbygningsudskæringer.
Tag afdækningen ud af indbygningsudskæringen.
Monter betjeningsdelskablet (10) på betjeningsdel (8), før den
gennem indbygningsudskæringen bagud og placer den i for-
hold til den elektroniske styreenhed.
Tryk betjeningsdelen (8) ind, indtil frontfladen er i niveau.
Figur 26

Table of Contents

Other manuals for Truma Trumatic E 4000

Related product manuals