EasyManua.ls Logo

Truma Trumatic E 4000 - Conducción del Aire Caliente y del Aire en Circulación en el Caso de Montaje Exterior; Montaje de la Unidad de Mando; Montaje de la Unidad de Mando con Conmutador Deslizante; Montaje de la Unidad de Mando con Conmutador Rotativo

Truma Trumatic E 4000
Print Icon
To Next Page IconTo Next Page
To Next Page IconTo Next Page
To Previous Page IconTo Previous Page
To Previous Page IconTo Previous Page
Loading...
89
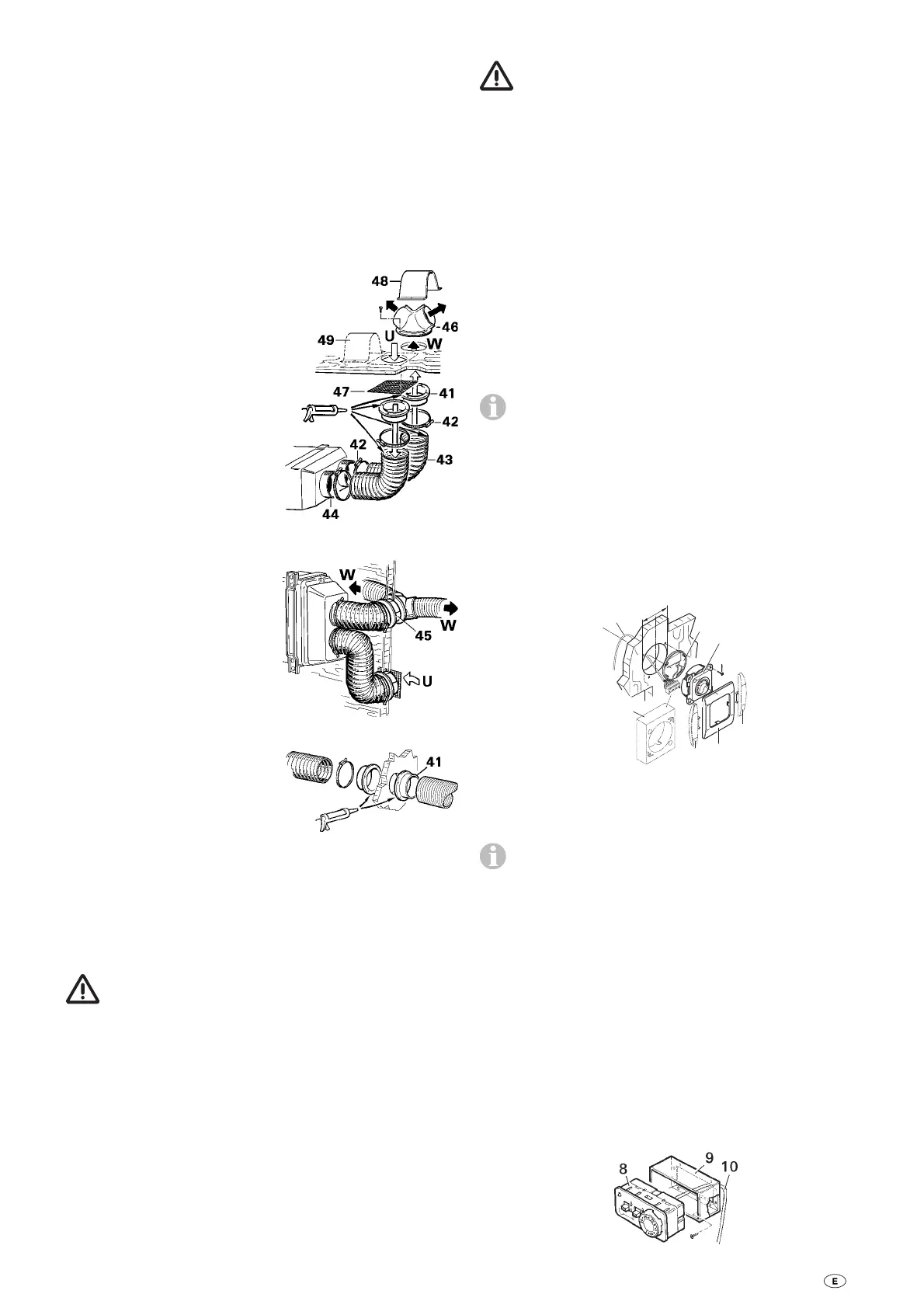
Conducción del aire caliente y del aire en
circulación en el caso de montaje exterior
Véase las variantes de montaje de la fig. 4 + 5 (página 2).
La alimentación de aire caliente y el retorno de aire entre la
calefacción y el vehículo se preparará – especialmente en la
zona con peligro de daños pr piedra – con tubos para aire flexi-
bles LF o en la zona protegida con tubos para aire LI (Ø 106 mm).
Una caja de protección instalada sobre toda la instalación
completa de calefacción permite protegerla contra daños
materiales y contra las inclemencias atmosféricas, sirviendo
al mismo tiempo de aislamiento adicional.
Dos orificios Taladrar dos orificios
de Ø 100 mm. Aplicar producto
obturante a las dos tubuladuras
de conexión (41) en la brida y
enroscar a los orificios exteriores.
Colocar la rejilla (47) en el retorno
del aire de circulación (U) entre
las tubuladuras de aspiración y
la pared del vehículo. Encajar la
abrazadera de alambre LFS (42).
Colocar la argolla LFS (42) sobre
los tubos de aire (43). Deslizar los
tubos de aire por encima de los
manguito de la calefacción (44)
y los manguitos conectores (41),
fijando en cada caso con la argo-
lla LFS (42). Hermetizar los pasos
con pasta de silicona.
Figura 22
Las paredes dobles huecas se
hermetizarán en la zona de con-
ducción del aire. Para ello coloque
dos pletinas de chapa enrolladas
o un trozo de tubería (45) de
Ø 97 a 100 mm en los orificios.
Figura 23
Al recinto interior podrá
conducirse posteriormente el aire
caliente por medio de un tubo
para aire LI (Ø 106 mm). Para la
conexión del tubo de aire sujete
interiormente una segunda tubu-
ladura (41) en el orificio interior.
Ambas tubuladuras de conexión
podrán roscarse conjuntamente a
través de la pared.
Figura 24
Caso que se desee una distribución del aire caliente en el re-
cinto interior, entonces podrá sujetarse con 4 tornillos, sobre
la alimentación del aire caliente (W), un distribuidor de aire (46).
¡No cierre ni estreche el orificio para el retorno del aire!
El distribuidor del aire (46) dispone de 2 conexiones para
tubo VR 72 (Ø 72 mm), las cuales no deberán cerrarse ningu-
na de ellas. La chapa protectora suministrada (48) sirve como
protección contra el calor y se roscará firmemente sobre el
distribuidor del aire (46). Como protección contra aplasta-
miento podrá roscarse una segunda chapa de protección (49)
sobre el orificio para el retorno del aire (Accesorio, N° de art.
39010-11500).
El sistema de aire caliente se dimensiona individualmente
para cada tipo de vehículo según el principio de construcción
modular. Para ello se dispone de un amplio programa de ac-
cesorios (véase el prospecto).
Montaje de la unidad de mando
Al utilizar unidades de mando específicos del vehículo
o del fabricante, la conexión eléctrica debe realizarse
conforme a las descripciones de interfaces Truma. Cada mo-
dificación de las piezas correspondientes de Truma anula la
garantía, así como los derechos de reclamación. ¡El montador
(fabricante) es responsable de las instrucciones para el uso
del usuario, así como de la rotulación de las unidades de
mando!
Al elegir el sitio, observar que las unidades de mando no de-
ben estar expuestos a la radiación de calor directa. Longitud
del cable de conexión: 4 m ó 10 m.
Si el montaje es posible sólo detrás de cortinas o en sitios se-
mejantes con temperaturas inestables, se deberá utilizar una
sonda remota para la temperatura ambiente (Accesorios).
Montaje de la unidad de mando con
conmutador rotativo
Si no es posible un montaje empotrado, Truma suminis-
tra opcionalmente un marco sobre revoque (1 – Nº de
art. 40000-52600) como accesorio.
Taladrar un agujero de Ø 55 mm.
Enchufar el cable de la unidad de mando (2) en la unidad de
mando (3) y a continuación calar la tapa cobertora posterior
(4) como tracción compensada.
Deslizar los cables hacia atrás y colocar el cable para la uni-
dad electrónica de mando.
Ø 55 mm
2
7
7
6
1
3
5
4
Figura 25
Fijar la unidad de mando con 4 tornillos (5) y calar el marco
cobertor (6).
Como terminación del marco cobertor (6), Truma sumi-
nistra piezas laterales (7) en 8 colores distintos. Por favor,
consulte a su proveedor.
Montaje de la unidad de mando con
conmutador deslizante
Para escotaduras de montaje existentes.
Quitar el panel cubridor de la escotadura de montaje.
Enchufar el cable de la unidad de mando (10) en la unidad de
mando (8), pasarlo por la escotadura de montaje hacia atrás y
colocarlo para la unidad electrónica de mando.
Meter la unidad de mando (8), hasta que esté a ras con la su-
perficie frontal.
Figura 26

Table of Contents

Other manuals for Truma Trumatic E 4000

Related product manuals