EasyManua.ls Logo

TuffStuff AP-250S - Ap-250 + Ap-2 Lp + Ap-2 To; Ap-250 + Ap-2 Lp + Ap-2 Ab; Ap-250 + Ap-2 Ab + Ap-2 To

TuffStuff AP-250S
40 pages
Print Icon
To Next Page IconTo Next Page
To Next Page IconTo Next Page
To Previous Page IconTo Previous Page
To Previous Page IconTo Previous Page
Loading...
O
p
ti
ona
l
St
a
ti
ons
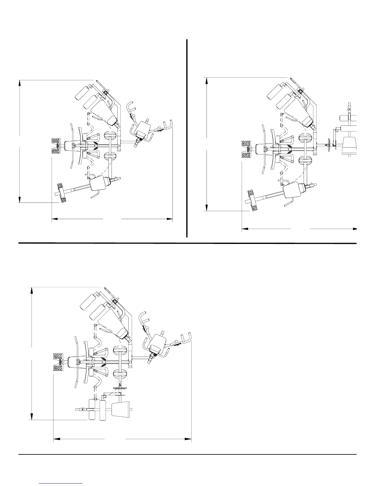
A
P-250 + AP-2LP + AP-2TO
126” W 130” H 83”
AP-250 + AP-2LP + AP-2AB
L 113” W 130” H 83”
A
P-250 + AP-2AB + AP-2TO
126” W 121” H 83”
3
0”
126”
130”
113”
121”
126”
39
A
P-250S_AP-250D Apollo 2-Stack Gym System

Related product manuals