EasyManua.ls Logo

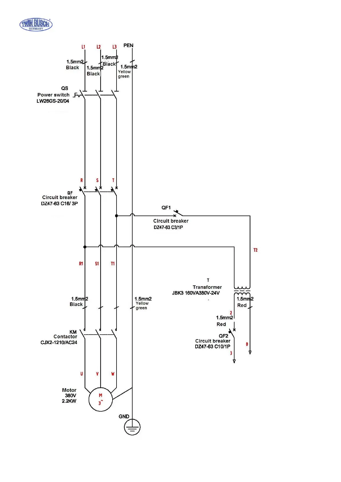
twin busch TW 242 E - Three Phase Wiring

twin busch TW 242 E
45 pages
Print Icon
To Next Page IconTo Next Page
To Next Page IconTo Next Page
To Previous Page IconTo Previous Page
To Previous Page IconTo Previous Page
Loading...
TWIN BUSCH GmbH
Technical changes for purposes of a technical advancement as well as deviation in colour, errors and printing mistakes are reserved.
page 27 of 45