EasyManua.ls Logo

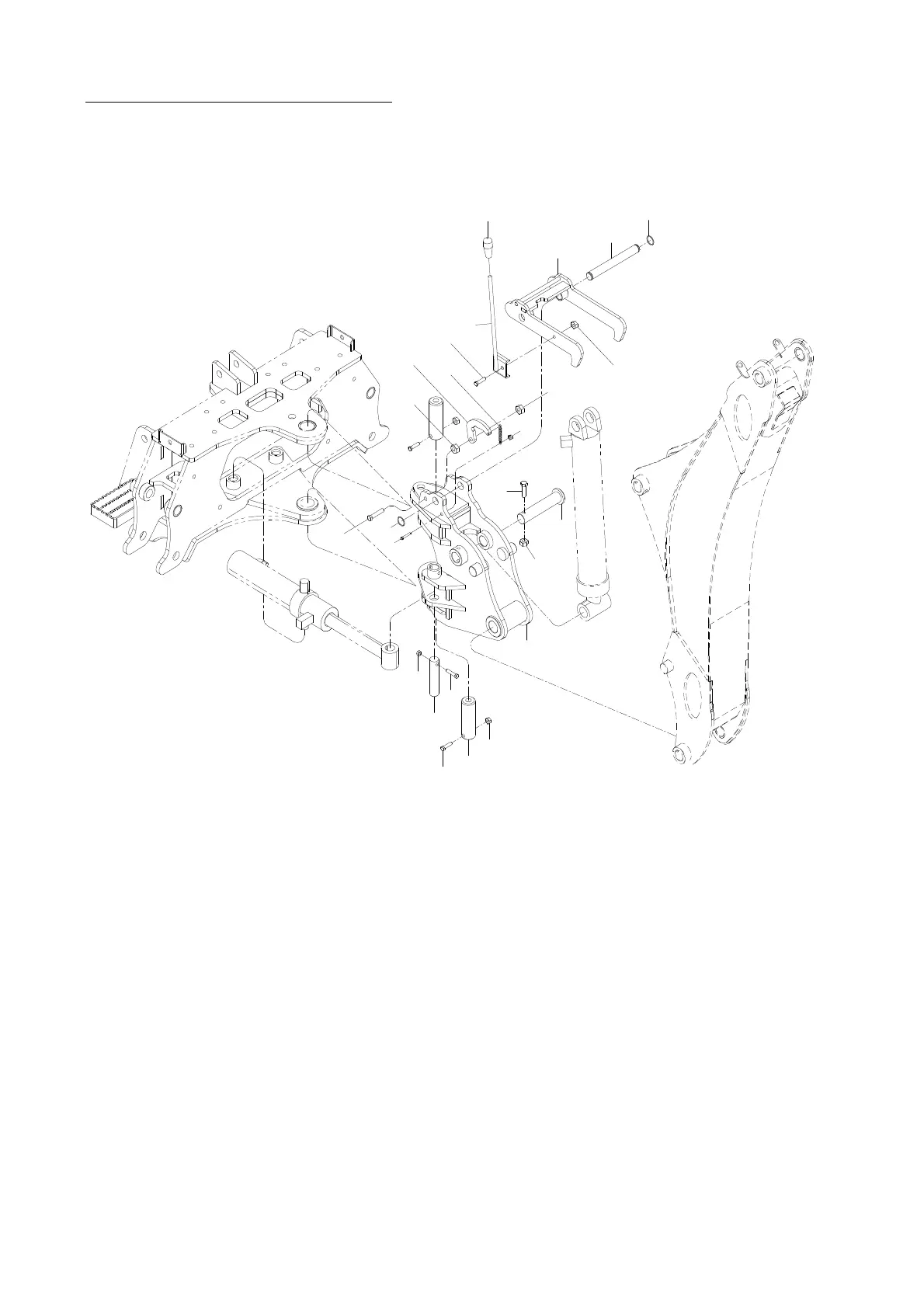
TYM BT400 - SWING FRAME ASSEMBLY

TYM BT400
53 pages
Print Icon
To Next Page IconTo Next Page
To Next Page IconTo Next Page
To Previous Page IconTo Previous Page
To Previous Page IconTo Previous Page
Loading...
SWING FRAME ASSEMBLY
UPDATED : 03. 31. 2009
19
12
7
5
10
8
18
16
9
6
4
3
2
1
11
14
13
13
14
13
17
13
15
13
9
- 36 -
19
12
7
5
10
8
18
16
9
6
4
3
2
1
11
14
13
13
14
13
17
13
15
13
9
- 36 -