EasyManua.ls Logo

Ulvac G-20DA - Page 36

Default Icon
44 pages
Print Icon
To Next Page IconTo Next Page
To Next Page IconTo Next Page
To Previous Page IconTo Previous Page
To Previous Page IconTo Previous Page
Loading...
26
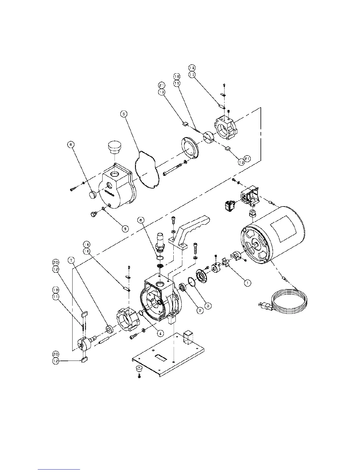
8.2 Disassembly Drawing
Fig-10 Disassembly Drawing of G-20DA,50DA

Related product manuals