EasyManua.ls Logo

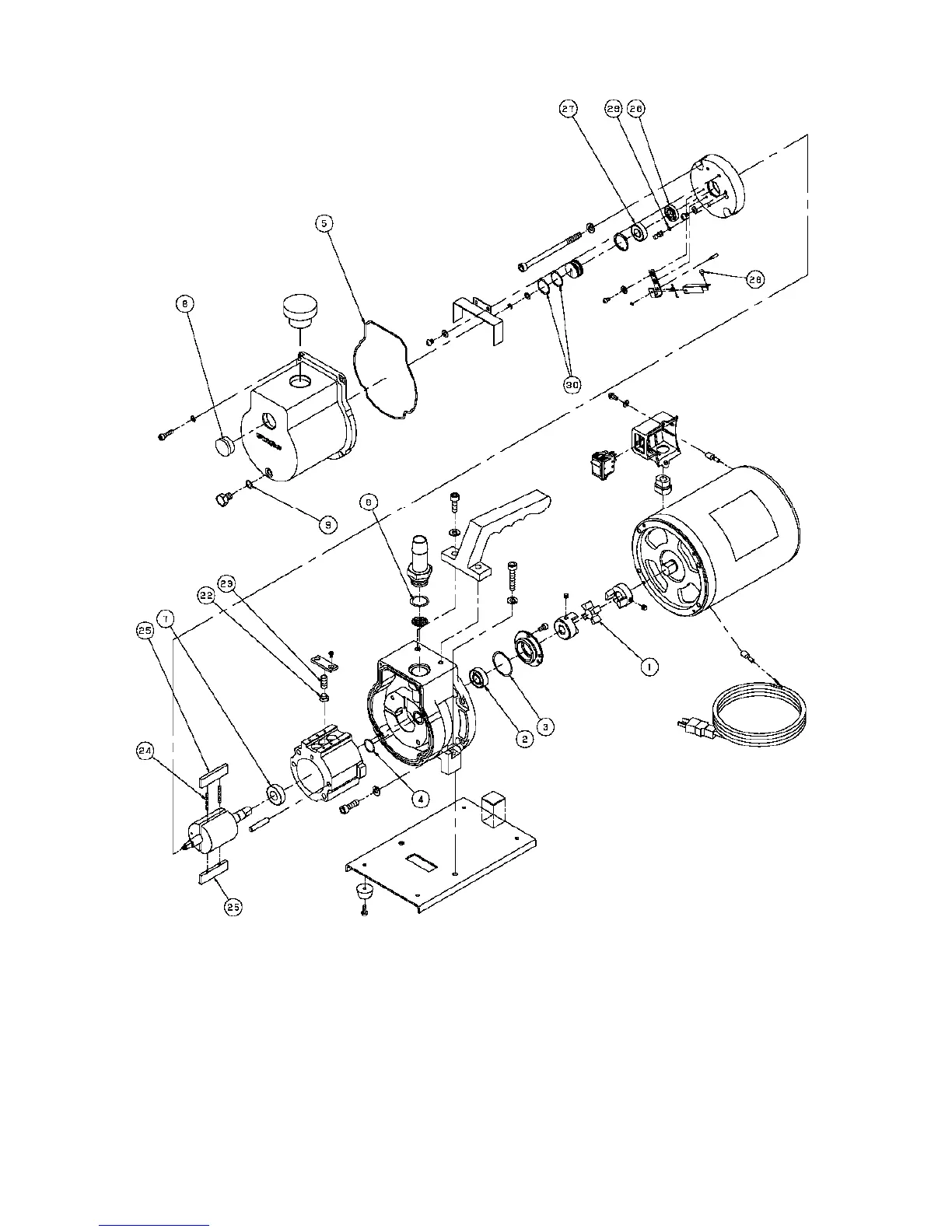
Ulvac G-20DA - Fig-12 Disassembly Drawing of G-50 SA

Default Icon
44 pages
Print Icon
To Next Page IconTo Next Page
To Next Page IconTo Next Page
To Previous Page IconTo Previous Page
To Previous Page IconTo Previous Page
Loading...
28
Fig-12 Disassembly Drawing of G-50SA

Related product manuals