EasyManua.ls Logo

Univex SRM80+ - Page 58

Univex SRM80+
62 pages
Print Icon
To Next Page IconTo Next Page
To Next Page IconTo Next Page
To Previous Page IconTo Previous Page
To Previous Page IconTo Previous Page
Loading...
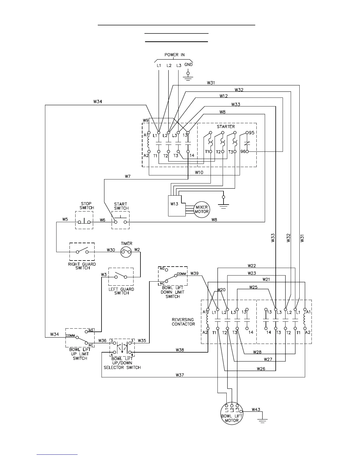
MIXER WITH POWER BOWL LIFT SCHEMATIC
208-230V, 60HZ, 3PH
220-240V 50HZ, 3PH
FIGURE 16E
Page 10.7

Related product manuals