EasyManua.ls Logo

Univex SRM80+ - 2 Mechanics Maintenance; Cvt Belts

Univex SRM80+
62 pages
Print Icon
To Next Page IconTo Next Page
To Next Page IconTo Next Page
To Previous Page IconTo Previous Page
To Previous Page IconTo Previous Page
Loading...
MECHANICS MAINTENANCE
Every six months a mechanic should perform the following inspection and maintenance.
CVT BELT:
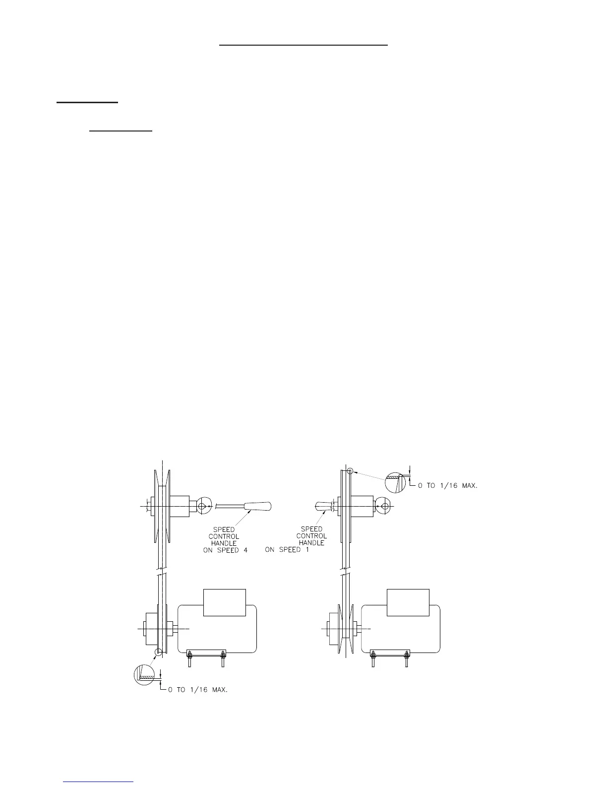
1. WARNING: Start the mixer and adjust the speed control lever (Figure 1 [9]) to the lowest speed
(speed 1). Stop the mixer.
FOR SAFETY, DISCONNECT THE ELECTRICAL POWER SUPPLY CORD.
2. Remove the top cover (Figure 15 [4]) per section 2 mechanics maintenance “REMOVAL OF
TOP COVER” on page 2.6.
3. Remove the rear access panel (Figure 15 [5]).
4. Inspect the drive belt (Figure 14 [3]). If the belt is excessively frayed or has a heavily glazed
surface, replace it.However it is generally the best judgement to leave a drive belt in the machine
if it is performing well, even if it shows moderate wear. Inspect the gripping surface of the belt
for excessively glazed surfaces or contamination by grease or oil.
5. Check the belt for proper tension. The outer edge of the belt should be flush to 1/16 inch below
the outer diameter of the upper variable speed pulley when the mixer is in speed “1”. If not,
adjust the belt using the “Belt Adjustment” procedure on page 2.2.
6. Start the mixer and shift the speed control from speed “1” to speed “4” and shut the mixer off.
7. Check the position of the belt on the lower vari-speed pulley. The belt should be flush to 1/16
inch below the outer flange of the pulley. If not adjust the belt using the “Belt Adjustment”
procedures on page 2.2.
Page2.1
Check upper
vari-speed pulley
Check lower
vari-speed pulley

Related product manuals