EasyManua.ls Logo

Univex SRM80+ - Page 60

Univex SRM80+
62 pages
Print Icon
To Next Page IconTo Next Page
To Next Page IconTo Next Page
To Previous Page IconTo Previous Page
To Previous Page IconTo Previous Page
Loading...
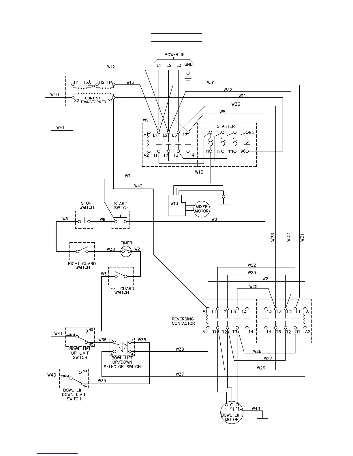
MIXER WITH POWER BOWL LIFT SCHEMATIC
460V, 60HZ, 3PH
380V 50HZ, 3PH
FIGURE 16F
Page 10.9

Related product manuals