EasyManua.ls Logo

USFilter V-2000 - Page 81

Default Icon
126 pages
Print Icon
To Next Page IconTo Next Page
To Next Page IconTo Next Page
To Previous Page IconTo Previous Page
To Previous Page IconTo Previous Page
Loading...
IM 25.055AC UA (C/6-01)
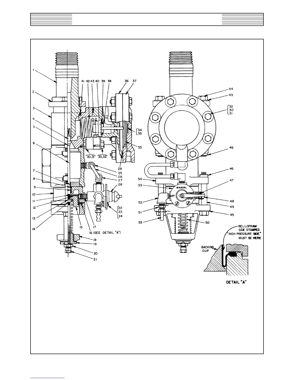
AUTOMATIC CHLORINATOR - 3000LB/24HR
71
U25762 SMALL THROAT
U25763 LARGE THROAT
2" INJECTOR - PARTS
With Pressure-Operated Plug Shut-Off
25.052.001.046A
ISSUE 0 10-95
NOTE: FOR PARTS LIST, SEE DWG. 25.052.001.046B.