EasyManua.ls Logo

USFilter V-2000 - Page 90

Default Icon
126 pages
Print Icon
To Next Page IconTo Next Page
To Next Page IconTo Next Page
To Previous Page IconTo Previous Page
To Previous Page IconTo Previous Page
Loading...
IM 25.055AC UA (C/6-01)
AUTOMATIC CHLORINATOR - 3000LB/24HR
80
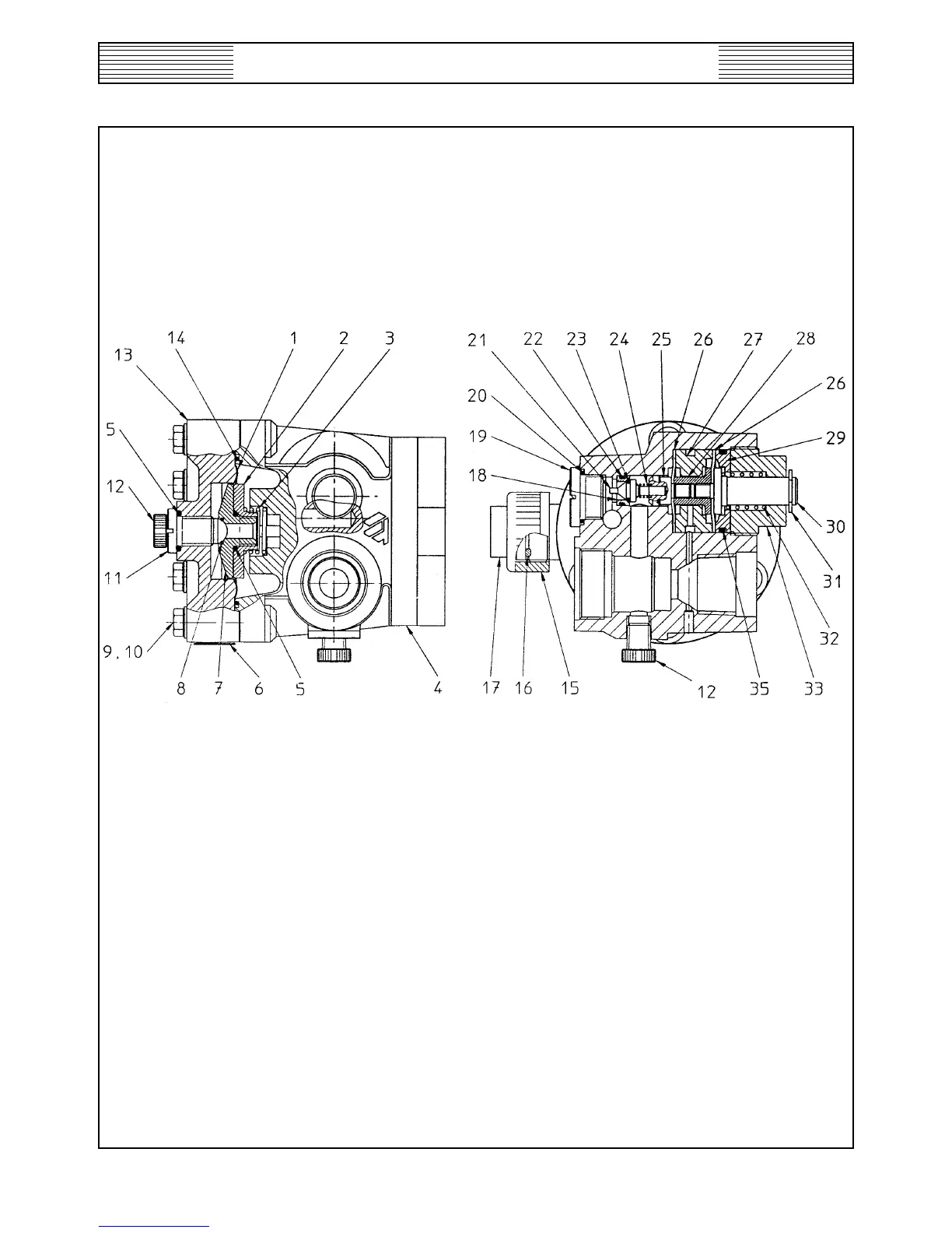
AAA4313 1” ANTI-SYPHON INJECTOR - PARTS
25.200.002.040A
ISSUE 0 10-95
NOTE: FOR PARTS LIST, SEE DWG. 25.200.002.040B.