EasyManua.ls Logo

V2 JEDI-700 - Conexiones Eléctricas

V2 JEDI-700
Print Icon
To Next Page IconTo Next Page
To Next Page IconTo Next Page
To Previous Page IconTo Previous Page
To Previous Page IconTo Previous Page
Loading...
ESPAÑOL
43
C
ONEXIONES ELÉCTRICAS
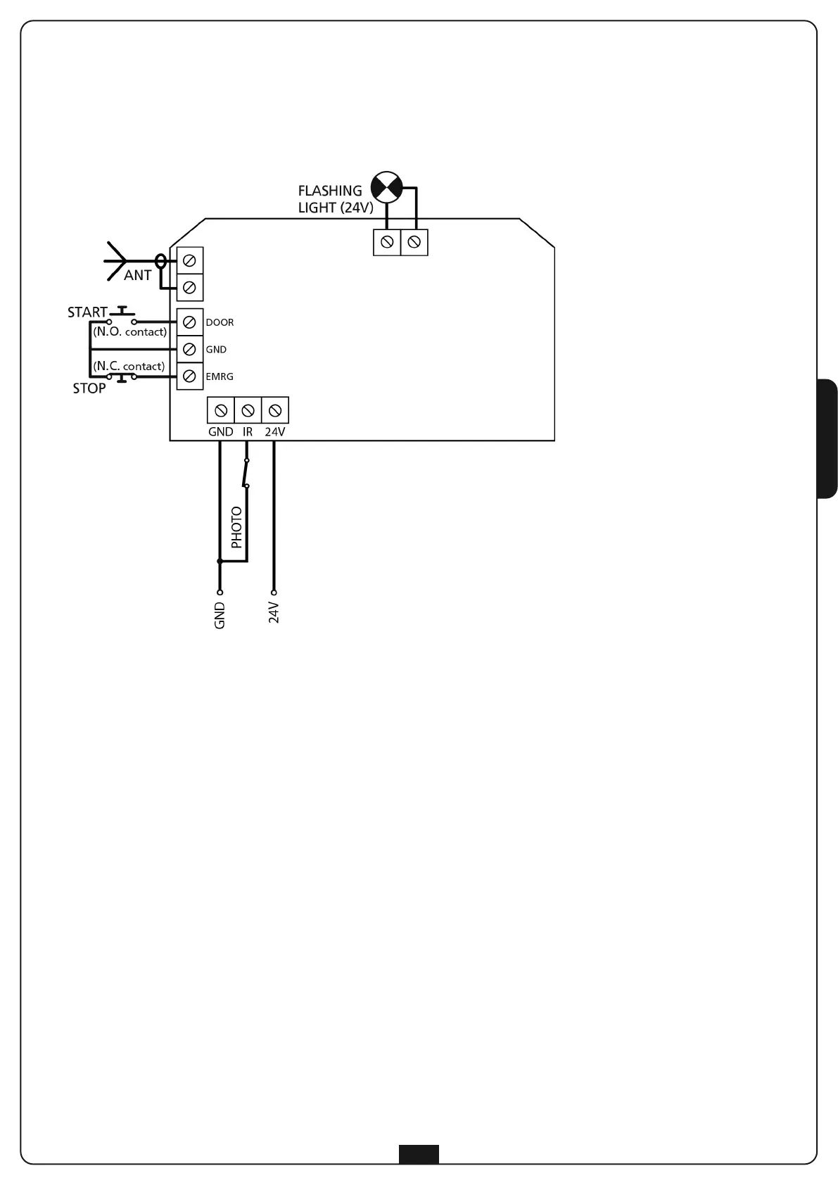
La centralita de mando al interior del JEDI ya está cableada.
Es suficiente insertar la clavija en la toma de corriente para proceder con la programación de los parámetros de funcionamiento.
Para la conexión de las fotocélulas y el botón de START (inicio) consulte el diagrama siguiente:

Related product manuals