EasyManua.ls Logo

V2 JEDI-700 - Collegamenti Elettrici

V2 JEDI-700
Print Icon
To Next Page IconTo Next Page
To Next Page IconTo Next Page
To Previous Page IconTo Previous Page
To Previous Page IconTo Previous Page
Loading...
ITALIANO
7
C
OLLEGAMENTI ELETTRICI
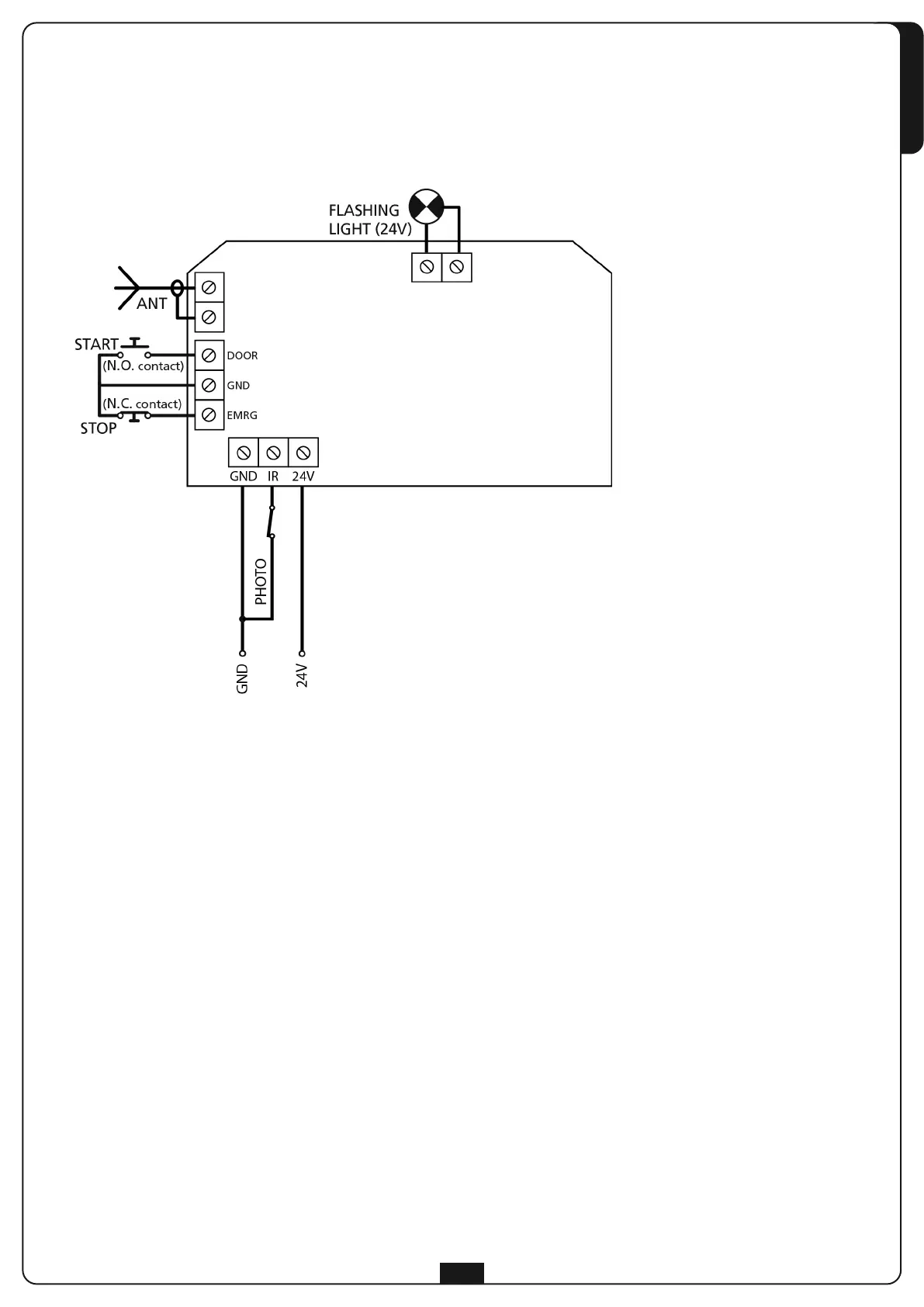
La centrale di comando all’interno di JEDI è già cablata.
E’ sufficiente inserire la spina nella presa di corrente per procedere con la programmazione dei parametri di funzionamento.
Per il collegamento degli accessori far riferimento allo schema che segue:

Related product manuals