EasyManua.ls Logo

V2 JEDI-700 - Elektrische Aansluitingen

V2 JEDI-700
Print Icon
To Next Page IconTo Next Page
To Next Page IconTo Next Page
To Previous Page IconTo Previous Page
To Previous Page IconTo Previous Page
Loading...
NEDERLANDS
79
E
LEKTRISCHE AANSLUITINGEN
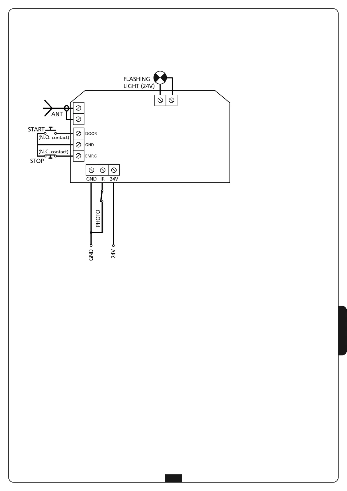
De stuurcentrale binnenin de JEDI is reeds bekabeld.
Het volstaat de stekker in het stopcontact te steken om over te gaan tot de programmering van de werkparameters.
Voor de aansluiting van de fotocellen en de START-knop wordt verwezen naar onderstaand schema: