EasyManua.ls Logo

V2 JEDI-700 - Ligações Eléctricas

V2 JEDI-700
Print Icon
To Next Page IconTo Next Page
To Next Page IconTo Next Page
To Previous Page IconTo Previous Page
To Previous Page IconTo Previous Page
Loading...
PORTUGUÊS
55
L
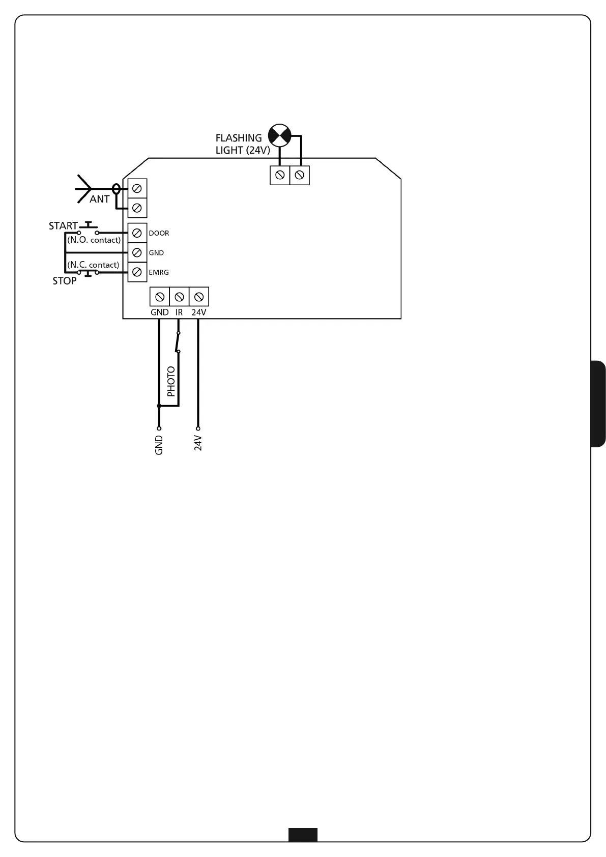
IGAÇÕES ELÉCTRICAS
O quadro de comandos no interior de JEDI já está cablado.
Basta inserir a ficha de cabo na tomada de corrente para proceder com a programação dos parâmetros de funcionamento.
Para a ligação das células fotoeléctricas e do botão de START seguir o esquema indicado abaixo:

Related product manuals