EasyManua.ls Logo

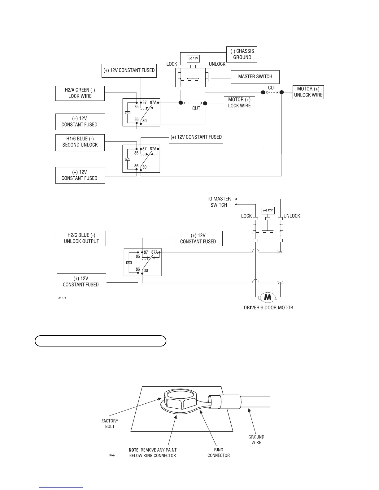
Valet 710T - Type C (+) reversing polarity door lock wiring; H1;8 BLACK (-) chassis ground connection

Valet 710T
24 pages
Print Icon
To Next Page IconTo Next Page
To Next Page IconTo Next Page
To Previous Page IconTo Previous Page
To Previous Page IconTo Previous Page
Loading...
© 1999 Directed Electronics, Inc. Vista, CA 9
Type C (+) reversing polarity system: Wire relays as shown.
Connect this wire to bare metal, preferably with a factory bolt rather than your own screw (screws tend to either
strip or loosen with time). We recommend grounding all your components to the same point in the vehicle.
H1/8 BLACK (-) chassis ground connection

Related product manuals