EasyManua.ls Logo

VAMP 140 - Circuit-Breaker Failure Protection CBFP (50 BF)

Default Icon
84 pages
Print Icon
To Next Page IconTo Next Page
To Next Page IconTo Next Page
To Previous Page IconTo Previous Page
To Previous Page IconTo Previous Page
Loading...
VAMP 140 Overcurrent and earth-fault relay
Technical description
VAMP Ltd
20
Vamp 24h support phone +358 (0)40 573 6316 VM140.EN011
Flt %
Maximum value of fault current as
per times Ion
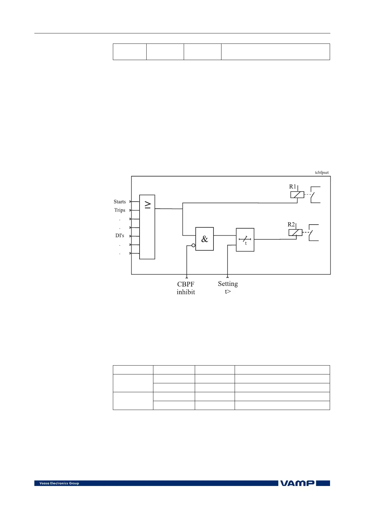
2.2.7. Circuit-breaker failure protection CBFP (50BF)
The operation of the circuit-breaker failure protection is based
on the supervision of the operating time, from the pick-up of
the configured trip relay to the dropout of the same relay. If
that time is longer than the operating time of the CBFP stage,
the CBFP stage activates another output relay, which will
remain activated, until the primary trip relay resets.
The CBFP stage functions also in earth-fault situations,
because its function is merely based on supervision of the
function of the output relay T1.
Figure 2.2.7-1 Block diagram of the circuit-breaker failure protection
The CBFP blocking signal prevents the CBFP stage from
operating, when the output relays or any other protection
function is operated by forced control.
Parameters of the circuit-breaker failure protection
CBFP (50BF)
Parameter: Value/unit:
CBRel Relay to be supervised
Setting
values
t> s Operation time
SCntr Start counter (Start) reading
Recorded
values
TCntr Trip counter (Trip) reading

Table of Contents

Related product manuals