EasyManua.ls Logo

VAMP 140 - Page 64

Default Icon
84 pages
Print Icon
To Next Page IconTo Next Page
To Next Page IconTo Next Page
To Previous Page IconTo Previous Page
To Previous Page IconTo Previous Page
Loading...
VAMP 140 Overcurrent and earth-fault relay
Technical description
VAMP Ltd
34
Vamp 24h support phone +358 (0)40 573 6316 VM140.EN011
CB
CLOSE COIL
OPEN COIL
close control
trip circuit
failure alarm
VR10CB
-V
AUX
+V
AUX
+V
AUX2
-V
AUX
VAMP 1xx relay
Digital input
Trip relay
Delay
Alarm relay
for trip
circuit failure
relay compartment
circuit breaker compartment
+
TripCircuitSup100OpenPos
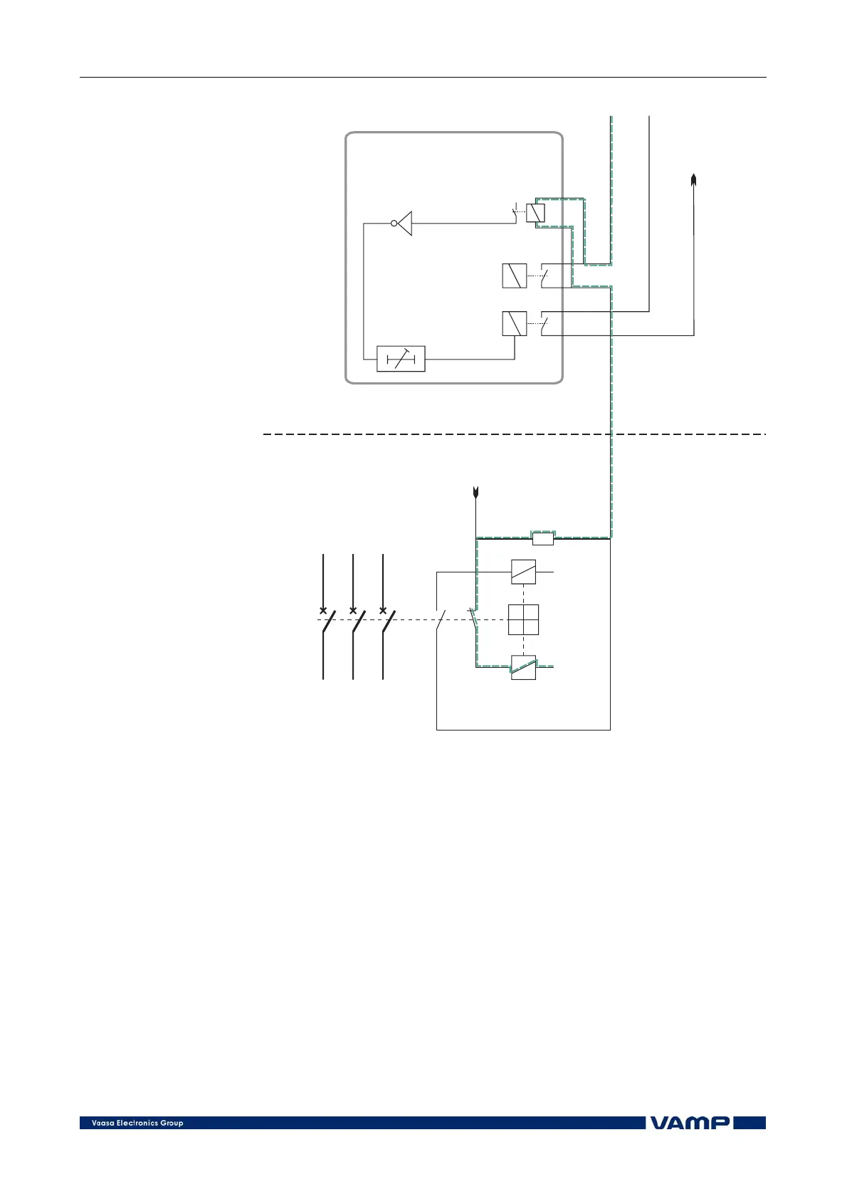
Figure 3.7-2 Trip circuit supervision when the circuit breaker is open. The
supervised circuitry in this CB position is marked with an extra parallel
line. The resistor device VR10CB offers an active input state for the digital
input although the open coil auxiliary contact is open.

Table of Contents

Related product manuals